EasyManua.ls Logo

Falcon G3840 - Critical Dimensions

Falcon G3840
37 pages
Print Icon
To Next Page IconTo Next Page
To Next Page IconTo Next Page
To Previous Page IconTo Previous Page
To Previous Page IconTo Previous Page
Loading...
20
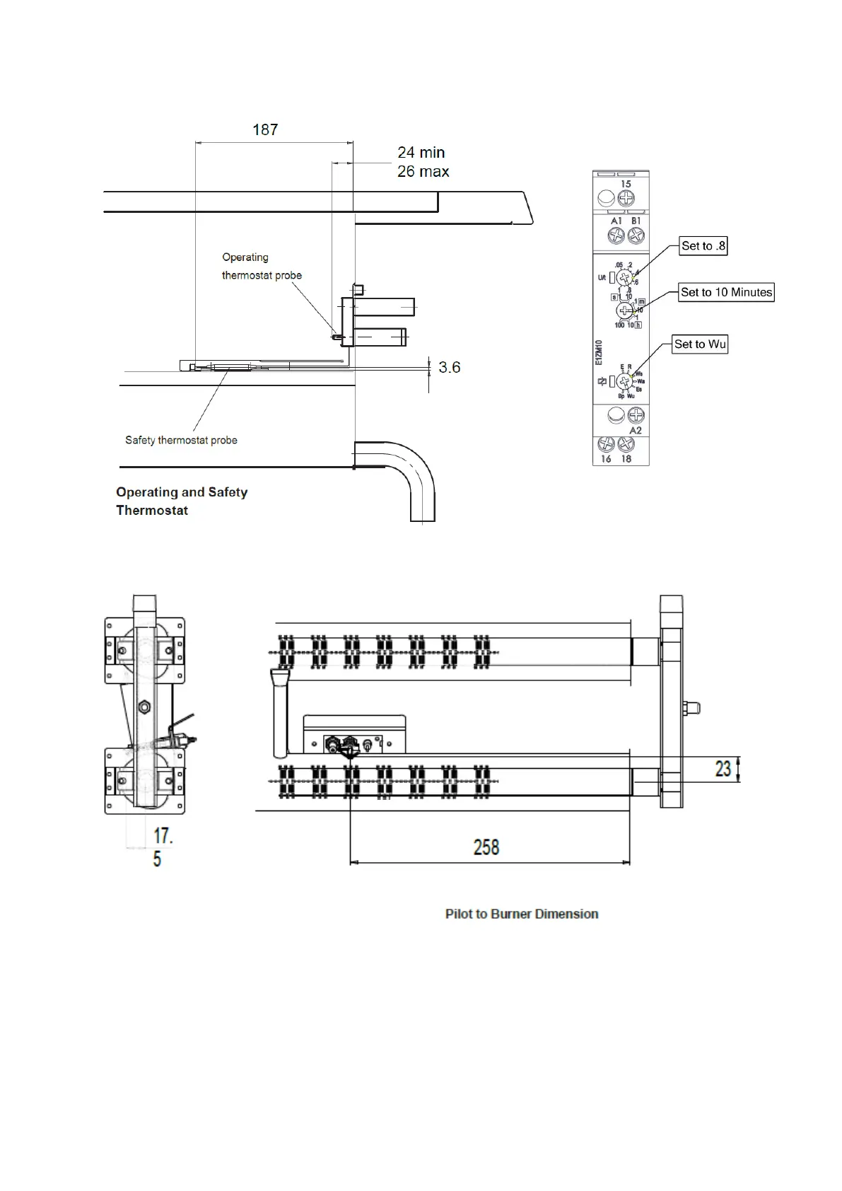
5.0 CRITICAL DIMENSIONS
Figure 7 Critical dimensions
thermi
stor

Table of Contents

Related product manuals