EasyManua.ls Logo

Falcon G3840 - G3840 Fx Wiring Diagram

Falcon G3840
37 pages
Print Icon
To Next Page IconTo Next Page
To Next Page IconTo Next Page
To Previous Page IconTo Previous Page
To Previous Page IconTo Previous Page
Loading...
33
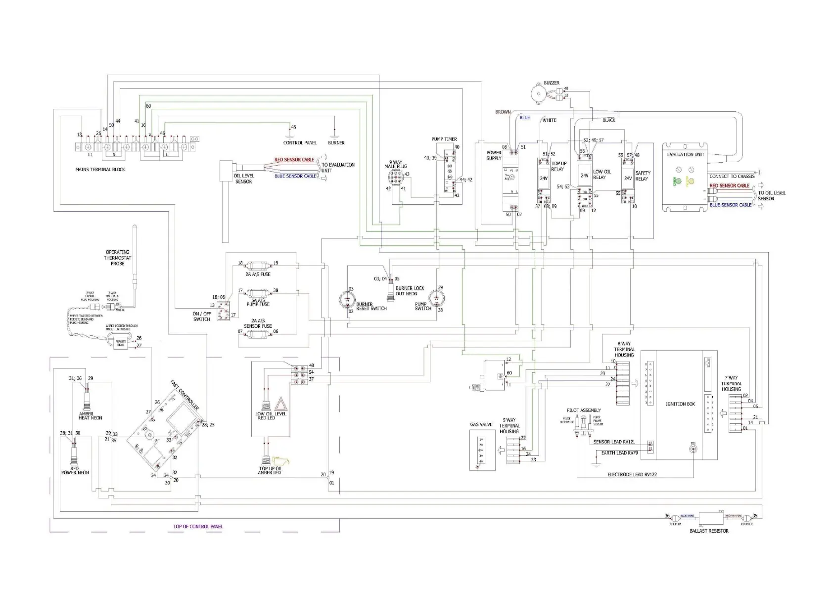
11.4 G3840FX WIRING DIAGRAM

Table of Contents

Related product manuals