EasyManua.ls Logo

Fancom Aura 14 - NAT

Fancom Aura 14
44 pages
Print Icon
To Next Page IconTo Next Page
To Next Page IconTo Next Page
To Previous Page IconTo Previous Page
To Previous Page IconTo Previous Page
Loading...
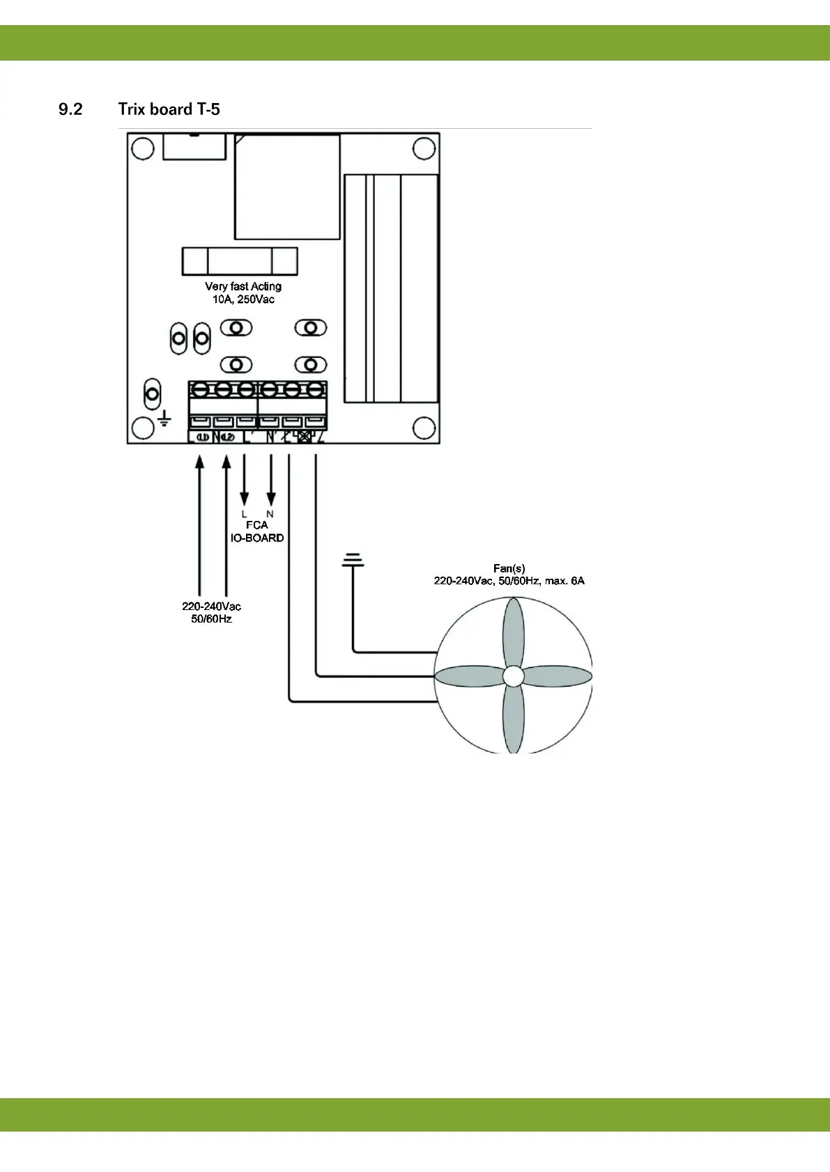
Appendix: Connection diagram Aura 14
35

Table of Contents

Related product manuals