EasyManua.ls Logo

Fibocom L850-GL - 3.3.3 Module Reset

Fibocom L850-GL
54 pages
Print Icon
To Next Page IconTo Next Page
To Next Page IconTo Next Page
To Previous Page IconTo Previous Page
To Previous Page IconTo Previous Page
Loading...
Reproduction forbidden without Fibocom Wireless Inc. written authorization - All Rights Reserved.
L850-GL Hardware User Manual Page 28 of 54
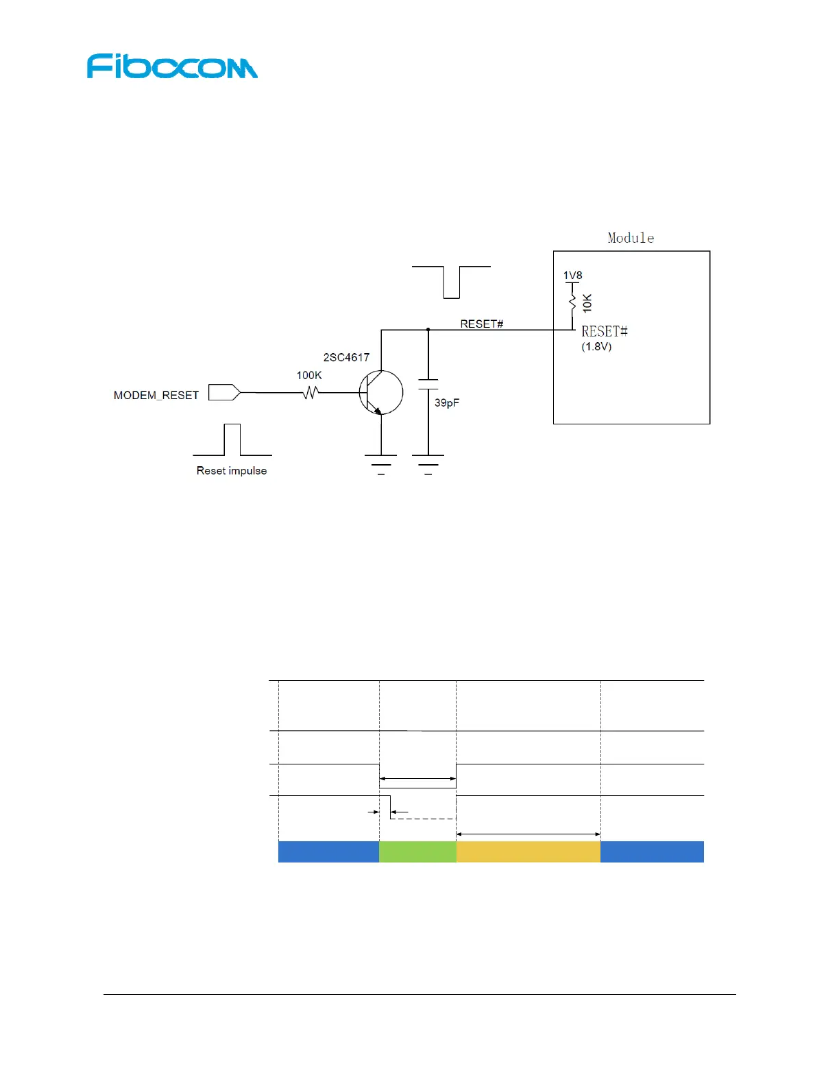
3.3.3 Module Reset
The L850 module can reset to its initial status by pulling down the RESET# signal for more than 10ms
(30msis recommended), and module will restart after RESET# signal is released. When customer
executes RESET# function, the PMU remains its power inside the module. The recommended circuit
design is shown in the Figure 3-7:
Figure 3-7 Recommended Design for Reset Circuit
There are two reset control timings as below:
Host may keep FULL_CARD_POWER_OFF# high when system restarting, module reset timing
is shown in the Figure 3-8;
Host may assert FULL_CARD_POWER_OFF# high when system restarting, module reset
timing is shown in the Figure 3-9;
+3.3V
PERST#
RESET#
Module State
Restart
Activation
FULL_CARD_POWER_OFF#
typical 10s
PMU RESET Activation
t
res1
t
res2
Figure 3-8 Reset control timing1
st

Table of Contents

Related product manuals