EasyManua.ls Logo

Fibocom L850-GL - Reproduction Forbidden Without Fibocom Wireless Inc. Written Authorization - All Rights Reserved

Fibocom L850-GL
54 pages
Print Icon
To Next Page IconTo Next Page
To Next Page IconTo Next Page
To Previous Page IconTo Previous Page
To Previous Page IconTo Previous Page
Loading...
Reproduction forbidden without Fibocom Wireless Inc. written authorization - All Rights Reserved.
L850-GL Hardware User Manual Page 43 of 54
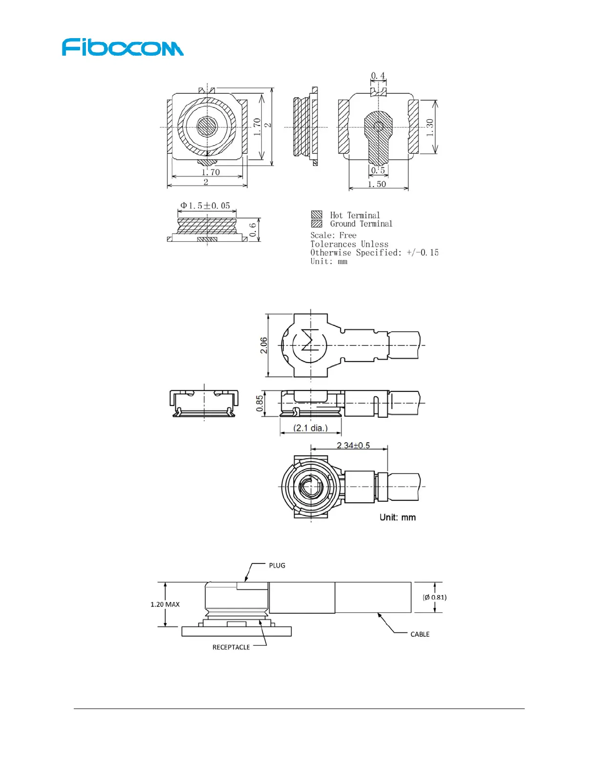
Figure 4-2 RF connector dimensions
Figure 4-3 0.81mm coaxial antenna dimensions
Figure 4-4 Schematic diagram of 0.81mm coaxial antenna connected to the RF connector

Table of Contents

Related product manuals