EasyManua.ls Logo

Fike Twinflex pro2 - Connecting Two TF Pro Panels & One TF V3 Panel Together

Fike Twinflex pro2
80 pages
Print Icon
To Next Page IconTo Next Page
To Next Page IconTo Next Page
To Previous Page IconTo Previous Page
To Previous Page IconTo Previous Page
Loading...
TWINFLEX
®
pro² Control Panel Engineering and Commissioning Manual
68
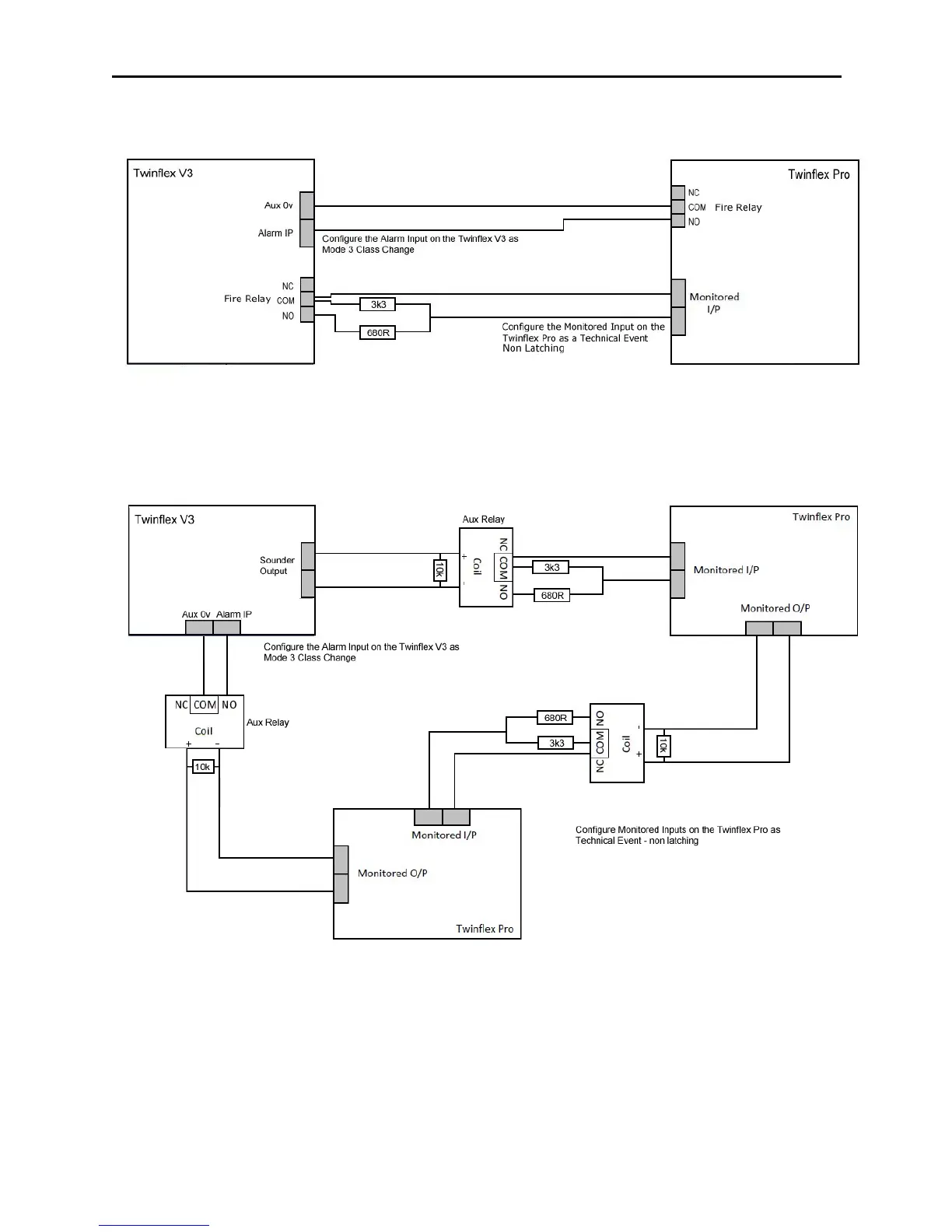
Connecting One TF Pro Panel & One TF V3 Panel Together
Connecting Two TF Pro Panels & One TF V3 Panel Together
www.acornfiresecurity.com
www.acornfiresecurity.com

Table of Contents

Related product manuals