EasyManua.ls Logo

First Alert FA142C - Figure 15. Connection of AAV Unit When Not Using an FA4285 Phone Module; Figure 16. Connection of AAV Unit When also Using an FA4285 Phone Module

First Alert FA142C
94 pages
Print Icon
To Next Page IconTo Next Page
To Next Page IconTo Next Page
To Previous Page IconTo Previous Page
To Previous Page IconTo Previous Page
Loading...
– 59 –
TERMINALS
ON CONTROL
EARTH
GROUND
17 18 19 20
1 2 3 4 5 6 7 8 9 10 11 12 13 14 15 16
PREMISES
ANSWERING
MACHINE AND
PHONES
ANSWERING
MACHINE
TIP
RING
RJ31X
JACK
PLUG
DIRECT
CONNECT
CORD
TIP
RING
(TIP)
(RING)
▲▲
INCOMING TELCO LINE
BROWN (TIP)
GRAY (RING)
ON
MODEL EAGLE
SECURITY
1241
GND
V+
GND
1 2 3
RELAY 1, SHOWN
“OFF”
NO NC C
4204
MODULE
RING
TIP
INPUT TRIGGER
REFER TO
AAV MODULE
INSTRUCTIONS
FOR CONNEC-
TIONS TO AUDIO
SPEAKERS AND
MICROPHONE
13
14
15
16
GREEN
(TIP)
RED (RING)
NOTE:
DO NOT USE
RELAY 1 FOR
ANY OTHER
PURPOSE.
21
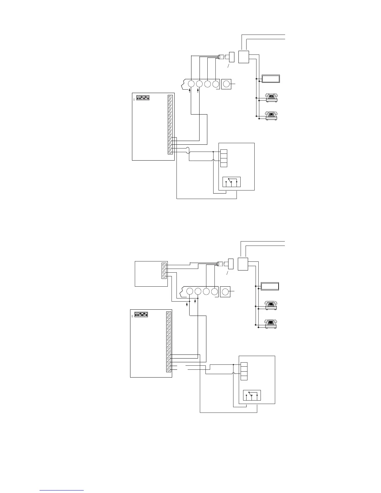
Figure 15. Connection Of AAV Unit When Not Using An FA4285 Voice Module
1 2 3 4 5 6 7 8 9 10 11 12 13 14 15 16
ON
MODEL EAGLE
SECURITY
1241
GND
+VDC
RING
TIP
REFER TO
AAV MODULE
INSTRUCTIONS
FOR CONNEC-
TIONS TO AUDIO
SPEAKERS AND
MICROPHONE
TERMINALS
ON CONTROL
EARTH
GROUND
17 18 19 20
PREMISES
ANSWERING
MACHINE AND
PHONES
ANSWERING
MACHINE
TIP
RING
RJ31X
JACK
PLUG
DIRECT
CONNECT
CORD
TIP
RING
(TIP)
(RING)
▲▲
INCOMING TELCO LINE
GRAY (RING)
BROWN (TIP)
GREEN (TIP)
RED (RING)
1 2 3 4
4285
V+
GND
1 2 3
RELAY 1, SHOWN
“OFF”
NO NC C
4204
MODULE
13
14
15
16
NOTE:
DO NOT USE
RELAY 1 FOR
ANY OTHER
PURPOSE.
21
fa
f
FA4285
Figure 16. Connection Of AAV Unit When Also Using an FA4285 Phone Module

Table of Contents

Other manuals for First Alert FA142C

Related product manuals