EasyManua.ls Logo

FISCHBEIN F - Page 11

FISCHBEIN F
77 pages
Print Icon
To Next Page IconTo Next Page
To Next Page IconTo Next Page
To Previous Page IconTo Previous Page
To Previous Page IconTo Previous Page
Loading...
FISCHBEIN
®
F SERIES PORTABLE SEWING MACHINES
OPERATOR’S MANUAL
REV. H 9/2011
11
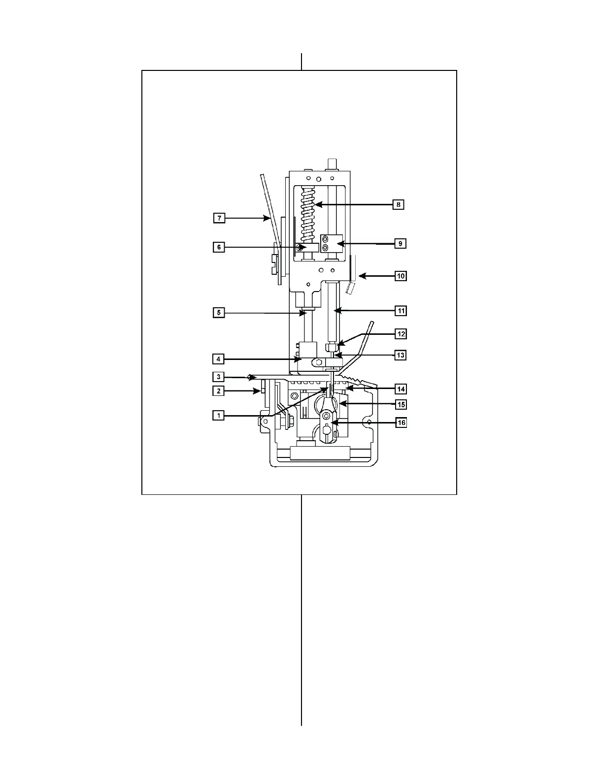
1. Looper
2. Thread Knife
3. Throat Plate
4. Presser Foot
5. Presser Bar
6. Presser Foot Lifter
7. Presser Foot Lifter Lever
8. Presser Foot Spring
9. Needle Bar Clamp Assembly
10. Thread Eyelet
11. Needle Bar
12. Needle Bar Nut
13. Needle
14. Feed Dog
15. Carrier Block, Feed Dog
16. Looper Assembly
1. Engarzador (looper)
2. Cuchilla del Hilo
3. Placa de Garganta
4. Pie Prensador
5. Barra Prensadora
6. Levantador de Pie Prensador
7. Palanca Levantadora de Pie Prensador
8. Resorte del Pie Prensador
9. Montaje Abrazadera Barra de Aguja
10. Ojete Guía de Hilo
11. Barra de Aguja
12. Tuerca Barra de Aguja
13. Aguja
14. Alimentador Dentado
15. Bloque Cargador, Alimentador Dentado
16. Montaje Engarzador (looper)
MODEL F: Bottom View
shown with thread knife
system.
(Vista Inferior con sistema
cortador de hilo)

Other manuals for FISCHBEIN F

Related product manuals