EasyManua.ls Logo

Fluke 732B - Page 112

Fluke 732B
124 pages
Print Icon
To Next Page IconTo Next Page
To Next Page IconTo Next Page
To Previous Page IconTo Previous Page
To Previous Page IconTo Previous Page
Loading...
732B
Instruction Manual
7-4
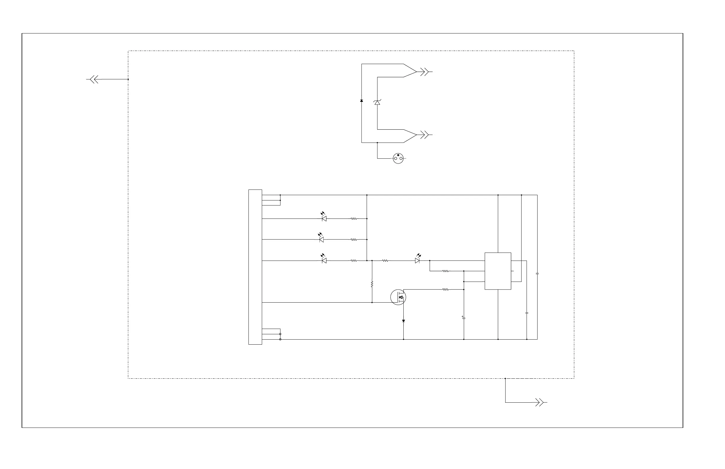
Figure 7-1. A1 Front Panel PCA (cont)
k34f.eps
R100
10K
HLMP-K155
LMC555
DIS
TRIG
CRTL
GND
THRS
OUT
RST
V+
HLMP-K155
HLMP-K155
HLMP-K155
1UF
C101
CR104
PIV 5A
230V
VN0104N3
0.1
C100
R106
100K
R104
1M
R105
590
R102
10K
R103
10K
R101
10K
FD333
CR105
.22
C102
GUARD MOUNTING HOLE
GUARD MOUNTING HOLE
TO BATTERY
CHARGER ASSY "A5"
CONNECTS TO 10V HI BINDING POST
CONNECTS TO 10V LO BINDING POST
NOTE: OTHER SIDE CONNECTED TO CHASSIS OFF ASSEMBLY.
NOTES: UNLESS OTHERWISE SPECIFIED
1. ALL RESISTORS ARE IN OHMS.
ALL CAPACITOR VALUES ARE IN MICROFARADS.
11V TRANS SUPRESS
1/4W
GUAR D
IN-CAL-LED*
BATT-CHG-ON-LED*
BATT-LO-LED*
LED COM
+11.5V
BATT LO
AC-PWR-ON-LED*
35V
CR103
CR102
CR101
CR100
U100
8
2
7
1
3
4
6
5
3
2
4
10
9
P104
8
7
5
6
1
E1
1
E2
1
E3
1
E4
1
VR101
A
C
E100
12
Q100
G
S
D
732B-1001
www.valuetronics.com

Table of Contents

Related product manuals