EasyManua.ls Logo

Fluke 732B - Page 114

Fluke 732B
124 pages
Print Icon
To Next Page IconTo Next Page
To Next Page IconTo Next Page
To Previous Page IconTo Previous Page
To Previous Page IconTo Previous Page
Loading...
732B
Instruction Manual
7-6
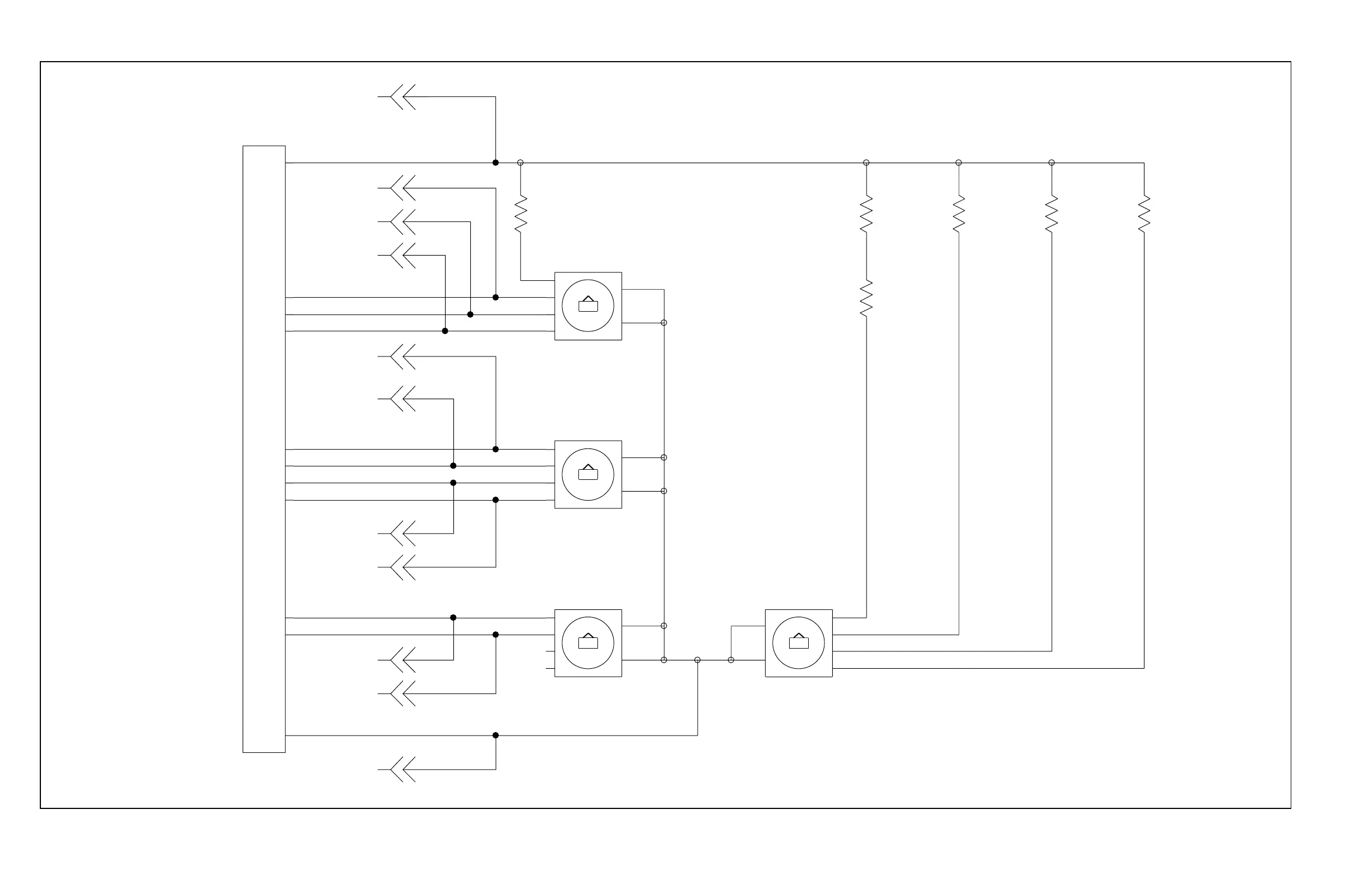
Figure 7-3. A2 BCD Switch PCA
k36f.eps
5.1M
1M
3M
1.5M
750K
604K
5
0
1
3
46
7
8
9
2
0.1 PPM
100 PPM
2
9
8
7
64
3
1
0
5
10 PPM
2
9
8
7
64
3
1
0
5
1 PPM
2
9
8
7
64
3
1
0
5
R306
R305 R304 R303 R302R301
1
P304
11
10
9
8
7
6
5
4
3
2
SW301
C1
8
4
2
1
C2
SW302
C1
8
4
2
1
C2
SW303
C1
8
4
2
1
C2
SW304
C1
8
4
2
1
C2
E14
E15
E16
E17
E18
E19
E20
E21
E22
E23
E24
BIT 13
BIT 12
BIT 11
BIT 10
BIT 9
BIT 8
BIT 6
BIT 5
BIT 7
10V ADJ HI
10V ADJ LO
732B-1004
www.valuetronics.com

Table of Contents

Related product manuals