EasyManua.ls Logo

Fluke 732B - Page 60

Fluke 732B
124 pages
Print Icon
To Next Page IconTo Next Page
To Next Page IconTo Next Page
To Previous Page IconTo Previous Page
To Previous Page IconTo Previous Page
Loading...
732B/734A
Instruction Manual
4-6
+
U1
+11.5V
R3
Z1
R2
118 k
R1
50 k
R4
Z1
+
2.976V
REFAMP ZENER
CURRENT
CANCELLATION
CIRCUIT
10V
SENSE LOW
CURRENT
CANCELLATION
CIRCUIT
10V
SENSE HIGH
CURRENT
CANCELLATION
CIRCUIT
+11.5V
Q202
R403
8.823 k
R404
1 k
R401
6.2 k
R402
10V ADJUST
158
to 180
10V SENSE LO
10V SENSE HI
10V BIAS HI
10V HI
1.018V HI
1.018V LO
10V LO
Z1
10V
7.024V
1.018V
DIVIDER
10V BETA
STRING
WW
RESISTOR
SET
I
Z
I
Z
I
C
I
WW
I
WW
I
WW
I
C
I
C
+I
Z
U4
REFAMP
I
WW
k17f.eps
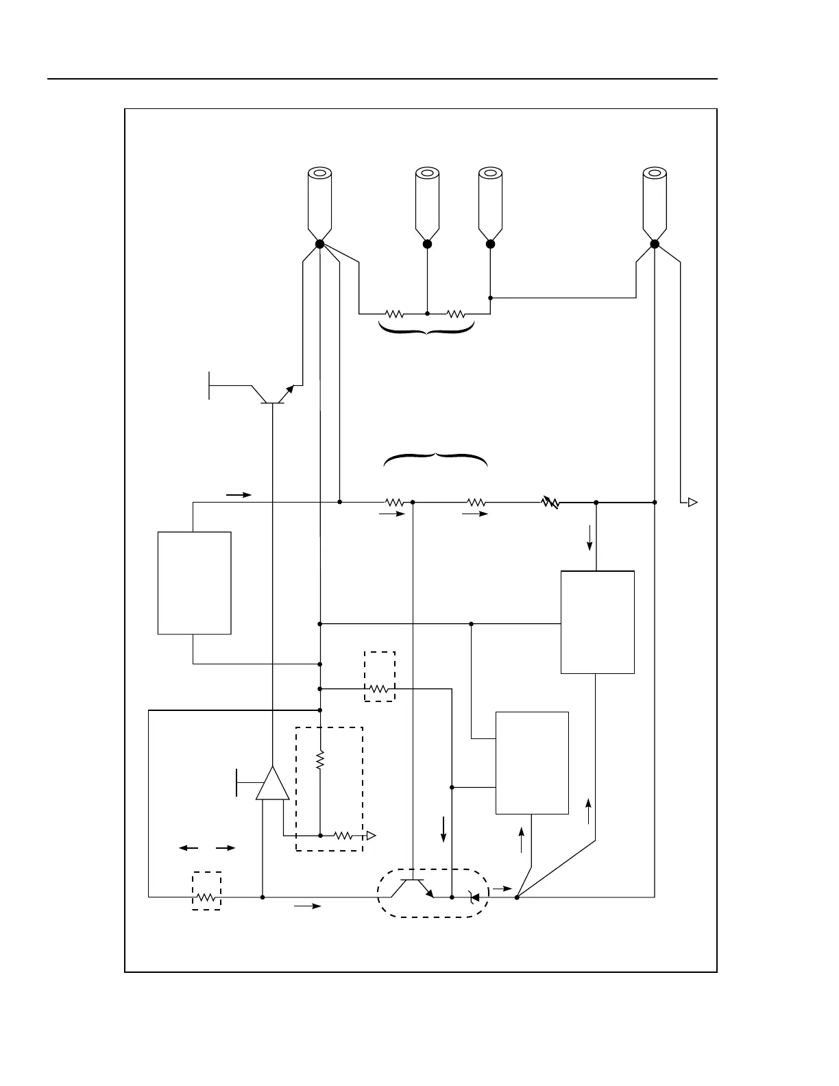
Figure 4-2. 10V Reference Circuit Block Diagram
www.valuetronics.com

Table of Contents

Related product manuals