EasyManua.ls Logo

Fluke 8842A - Overall Functional Block Diagram

Fluke 8842A
269 pages
Print Icon
To Next Page IconTo Next Page
To Next Page IconTo Next Page
To Previous Page IconTo Previous Page
To Previous Page IconTo Previous Page
Loading...
Theory of Operation
DC SCALING
5
5-5
f5-01.wmf
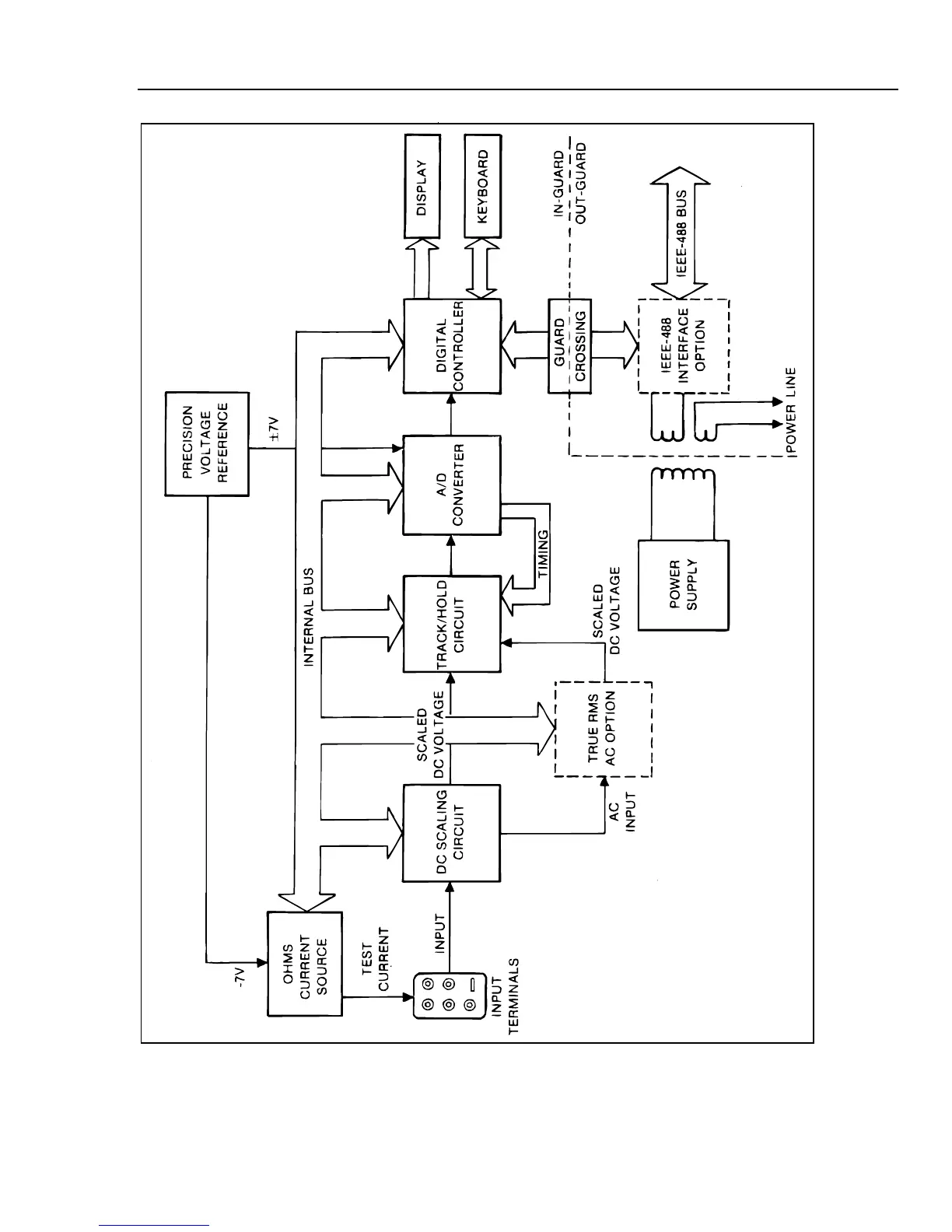
Figure 5-1. Overall Functional Block Diagram

Table of Contents

Related product manuals