EasyManua.ls Logo

Fluke 8842A - A Digital Multimeter

Fluke 8842A
269 pages
Print Icon
To Next Page IconTo Next Page
To Next Page IconTo Next Page
To Previous Page IconTo Previous Page
To Previous Page IconTo Previous Page
Loading...
8842A
Instruction Manual
7-6
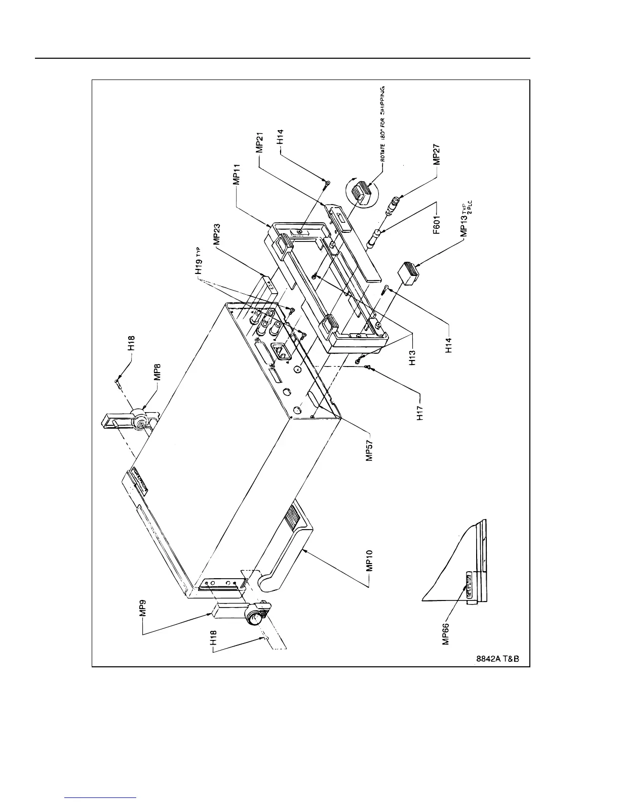
f7-01_1.wmf
Figure 7-1. 8842A Digital Multimeter

Table of Contents

Related product manuals