EasyManua.ls Logo

Fluke CableIQ - Page 33

Fluke CableIQ
92 pages
Print Icon
To Next Page IconTo Next Page
To Next Page IconTo Next Page
To Previous Page IconTo Previous Page
To Previous Page IconTo Previous Page
Loading...
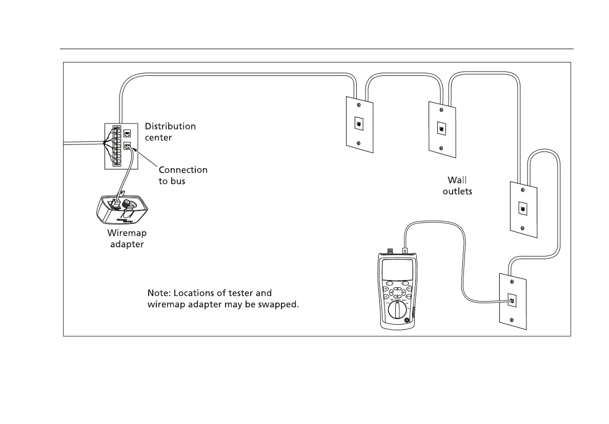
Qualifying Cabling with the Autotest
23
avv13f.eps
Figure 8. Autotest Connections for Telephone Cabling in a Bus Topology

Other manuals for Fluke CableIQ

Related product manuals