EasyManua.ls Logo

Foster Solo Plus - ALARMS; ALARM AND FAN DELTA; MINIMUM RELATIVE SET; MAXIMUM RELATIVE SET

Foster Solo Plus
53 pages
Print Icon
To Next Page IconTo Next Page
To Next Page IconTo Next Page
To Previous Page IconTo Previous Page
To Previous Page IconTo Previous Page
Loading...
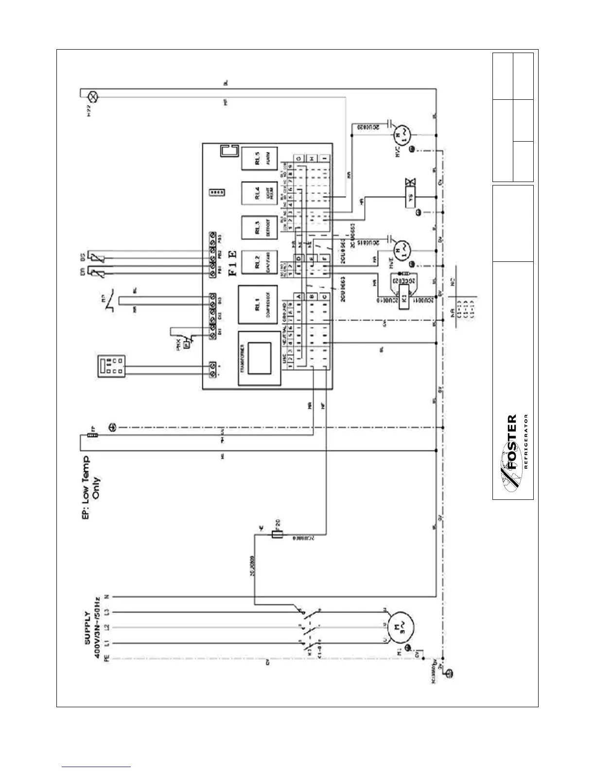
Colour Code
MA - BROWN
BL - BLUE
GV - GREEN/YELLOW
NE - BLACK
Drawing No. Sheet No.
81802LSB 1 of 1
Drawn By Approved Date
Title
SP3LC
SP4LC
SP4HC
SP5HC
FOSTER REFRIGERATOR - A Division of ITW
Ltd.
25

Table of Contents

Related product manuals