EasyManua.ls Logo

Frontier WR2214 - Page 82

Frontier WR2214
108 pages
Print Icon
To Next Page IconTo Next Page
To Next Page IconTo Next Page
To Previous Page IconTo Previous Page
To Previous Page IconTo Previous Page
Loading...
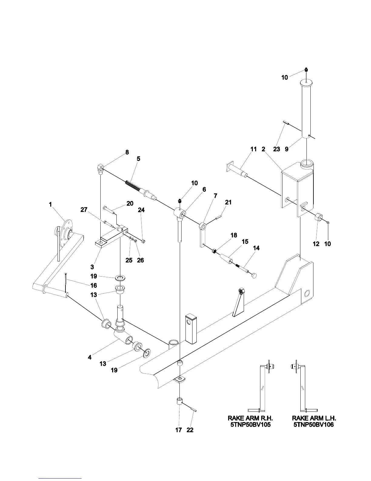
WINDROW WIDTH ADJUSTMENT DEVICE
81

Table of Contents

Related product manuals