EasyManua.ls Logo

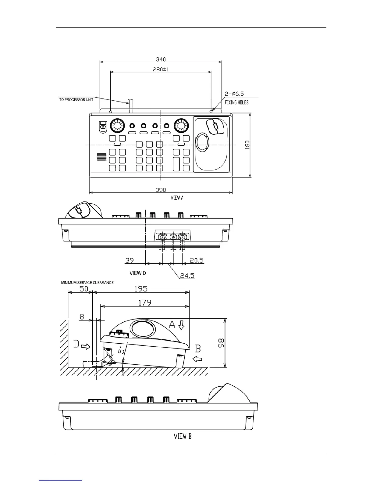
Furuno TECDIS - Furuno RCU-018 Outline (Desktop Mount with Bracket)

Furuno TECDIS
80 pages
Print Icon
To Next Page IconTo Next Page
To Next Page IconTo Next Page
To Previous Page IconTo Previous Page
To Previous Page IconTo Previous Page
Loading...
TECDIS Installation Manual Page 20
Furuno RCU-018 Control Unit outline (Desktop mount with bracket)
All figures in mm

Table of Contents

Related product manuals