EasyManua.ls Logo

GE F60 - Page 410

GE F60
732 pages
Print Icon
To Next Page IconTo Next Page
To Next Page IconTo Next Page
To Previous Page IconTo Previous Page
To Previous Page IconTo Previous Page
Loading...
5-278 F60 Feeder Protection System GE Multilin
5.7 CONTROL ELEMENTS 5 SETTINGS
5
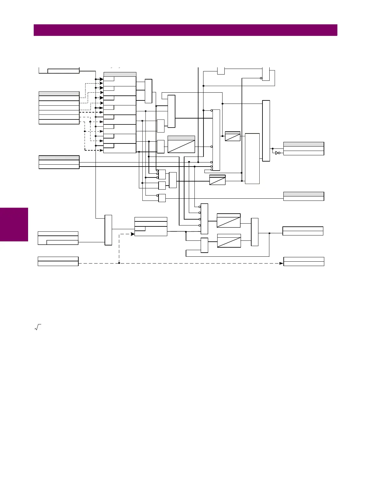
The VT NEU WIRE OPEN 1 3 HRAM PKP setting specifies the pickup level of 3rd harmonic of 3V0 signal for the VT NEU
WIRE OPEN detection logic to pick up.
Figure 5–131: VT FUSE FAIL SCHEME LOGIC
Base voltage for this element is PHASE VT SECONDARY setting in the case of WYE VTs and (PHASE VT SECONDARY)/
in case of DELTA VTs.
827093AQ.CDR
FUSE
FAIL
FAULT
AND
AND
AND
SET
RESET
Reset-dominant
Latch
AND
AND
AND
AND
OR
OR
OR
OR
Function
Enabled = 1
SOURCE 1
V_2
V_1
I_1
Run
V_1 < 0.05 pu
Run
V_2 > 0.1 pu
Run
I_1 > 0.075 pu
Run
V_1 < 0.80 pu
Run
I_1 < 0.05 pu
SRC1 50DD OP
FLEXLOGIC OPERANDS
2 cycles
20 cycles
SRC1 VT FUSE FAIL OP
FLEXLOGIC OPERANDS
SRC1 VT FUSE FAIL DPO
SRC1 VT FUSE FAIL VOL LOSS
FLEXLOGIC OPERAND
TIMER
OPEN POLE OP
The OPEN POLE OP operand applies
to the C60, D60, L60, L90, N60
Neutral Wire Open Detect
SETTING
Enabled = 1
SOURCE 1
3V_0 (3rd Harmonic)
SETTING
Run
3V_0 3rd Harm >setting
3 HARM PKP
AND
SRC1 3V0 3nd Harmonic
FLEX-ANALOG
AND
5 cycles
0
TIMER
SRC1 VT NEU WIRE OPEN
FLEXLOGIC OPERAND
OR
AND
0
20 cycles
TIMER
2 cycles
0
TIMER
30 cycles
0
TIMER
COMPARATORS
VA
VB
VC
Run
|VB|-|VB| > 0.2 pu
& |VB| > 0.8 pu
Run
|VA|-|VA| > 0.2 pu
& |VA| > 0.8 pu
Run
|VC|-|VC| > 0.2 pu
& |VC| > 0.8 pu
OR
voltage magnitude of one
cycle before
3

Table of Contents

Related product manuals