EasyManua.ls Logo

GE Optima IGS 330 - Monitor Configuration

GE Optima IGS 330
202 pages
Print Icon
To Next Page IconTo Next Page
To Next Page IconTo Next Page
To Previous Page IconTo Previous Page
To Previous Page IconTo Previous Page
Loading...
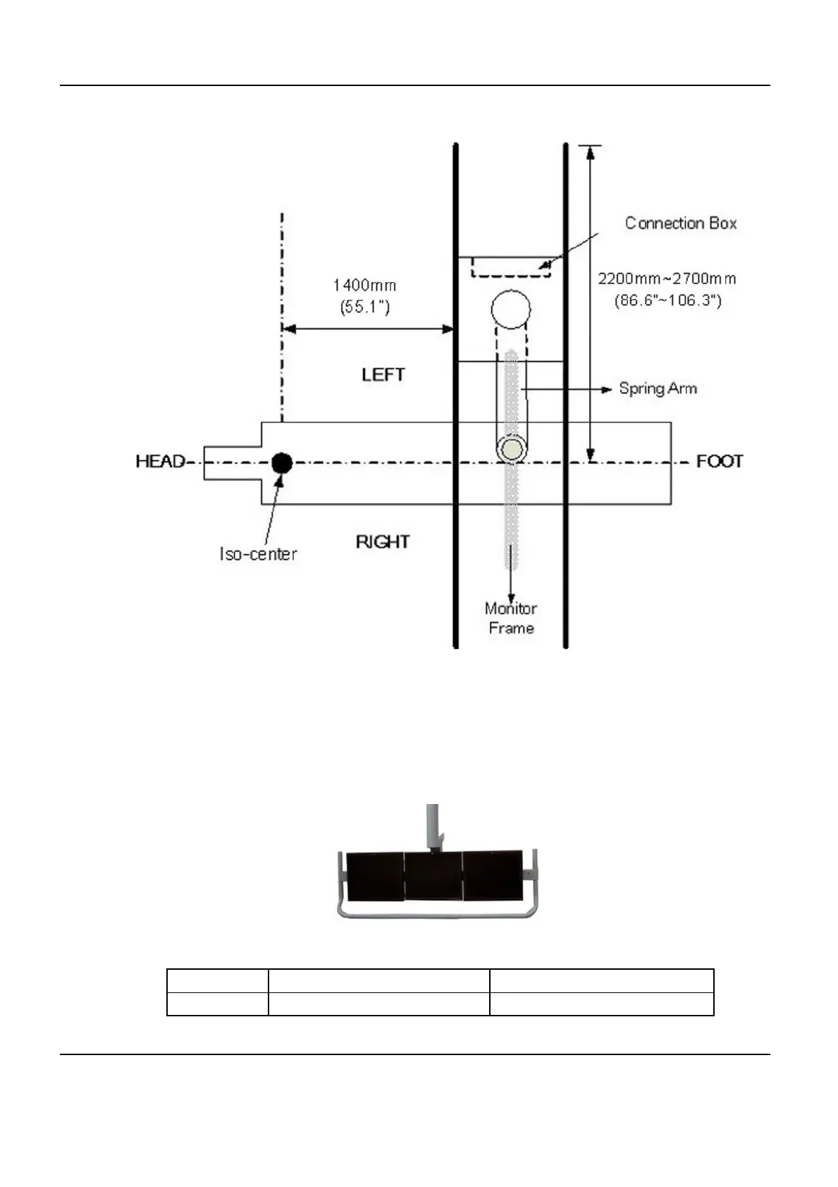
Illustration 2-8: Ergo LCD Suspension configuration
Clinical applications can be mostly covered by the above suggested installation position. The
travel range of the pulley along the rails is about 2.5 m (8’2").
1.2.8.2 Monitor Configuration
Ergo LCD suspension are pre-installed with internal cable harness to run up to 3 monitors. The
suspension is designed to operate with any vascular system of GE Healthcare.
Illustration 2-9: Ergo LCD monitor layout
Table 2-1: Specification for Ergo LCD monitor dimension
Height: min.: 300 mm (12”) max.: 350 mm (14")
Width: min.: 370 mm (15") max.: 425 mm (17")
Optima IGS 320, Optima IGS 330 Pre-Installation Manual
Direction 5537562-1-1EN, Revision 3
52 1 System Components

Table of Contents

Related product manuals