EasyManua.ls Logo

GE Optima IGS 330 - Page 60

GE Optima IGS 330
202 pages
Print Icon
To Next Page IconTo Next Page
To Next Page IconTo Next Page
To Previous Page IconTo Previous Page
To Previous Page IconTo Previous Page
Loading...
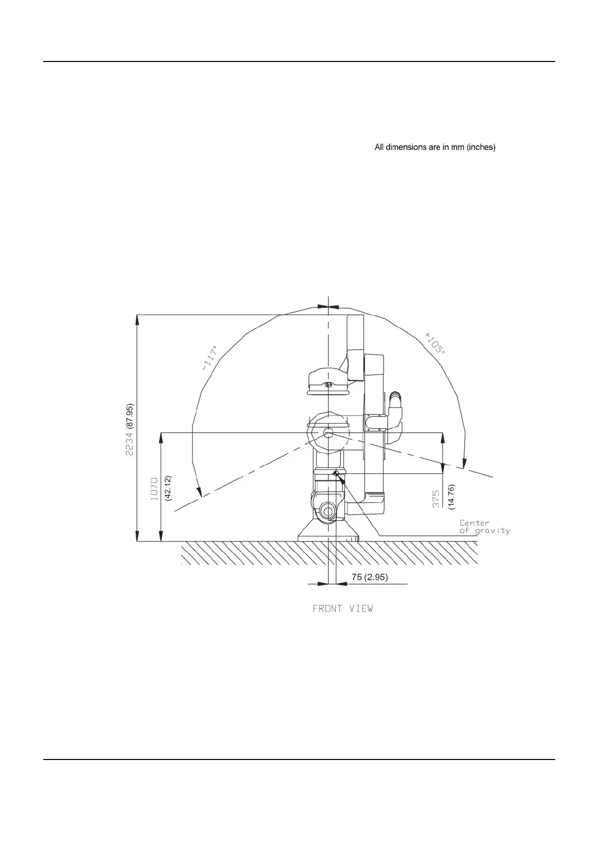
Illustration 2-16: Gantry Dimensions: - Front view
Optima IGS 320, Optima IGS 330 Pre-Installation Manual
Direction 5537562-1-1EN, Revision 3
60 1 System Components

Table of Contents