EasyManua.ls Logo

GE Precision RXi - Page 55

GE Precision RXi
136 pages
Print Icon
To Next Page IconTo Next Page
To Next Page IconTo Next Page
To Previous Page IconTo Previous Page
To Previous Page IconTo Previous Page
Loading...
GE MEDICAL SYSTEMS PRECISION RXI SYSTEM PRE-INSTALLATION
D
IRECTION 5123449-100, REVISION 12
_____________________________________________________________________________________________
June 2009 Page 55 / 111
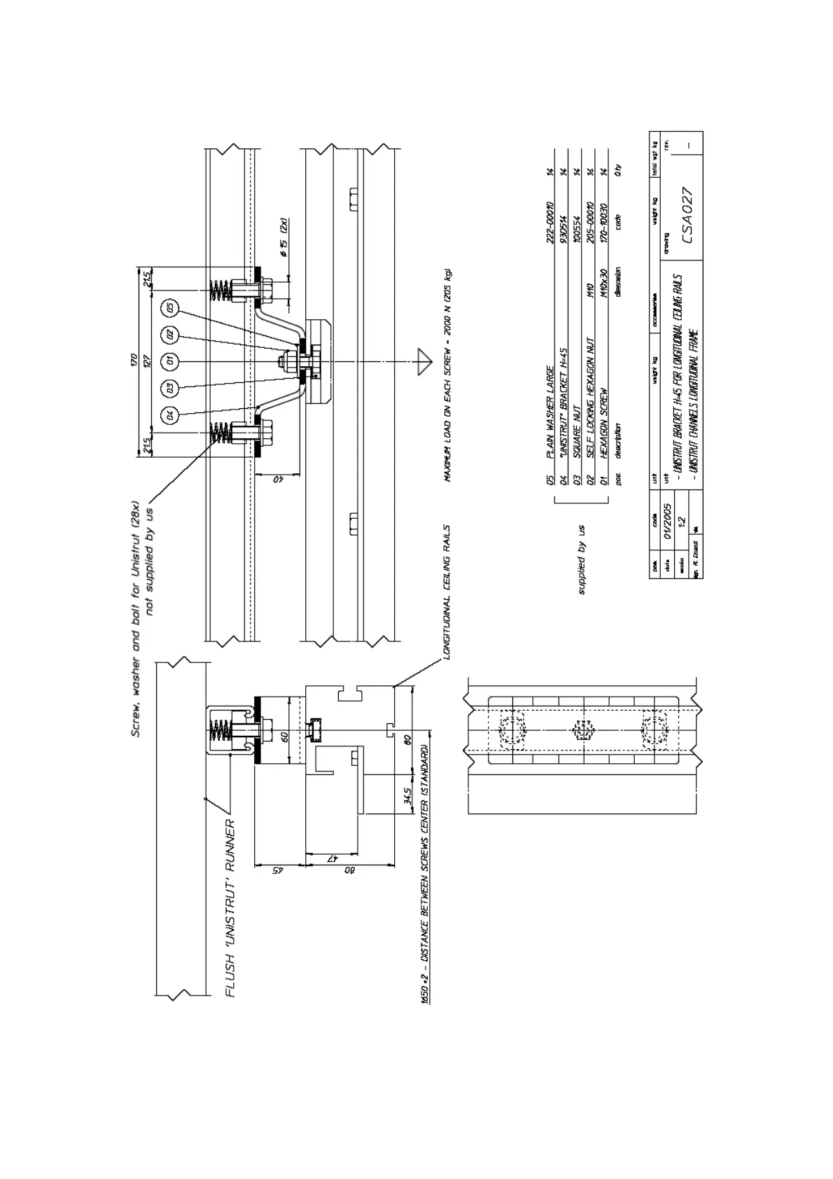
5.2.11.1.1. Rail Mounting cont.
Cod. CSA027 (optional)

Table of Contents

Related product manuals