EasyManua.ls Logo

Generac Power Systems VT HYBRID - Alternator and Lamp Control Wiring

Generac Power Systems VT HYBRID
102 pages
Print Icon
To Next Page IconTo Next Page
To Next Page IconTo Next Page
To Previous Page IconTo Previous Page
To Previous Page IconTo Previous Page
Loading...
VT HYBRID 9mt 4x150W LED
95
TL187-01-00-00
01-07-2016
FIAMM battery
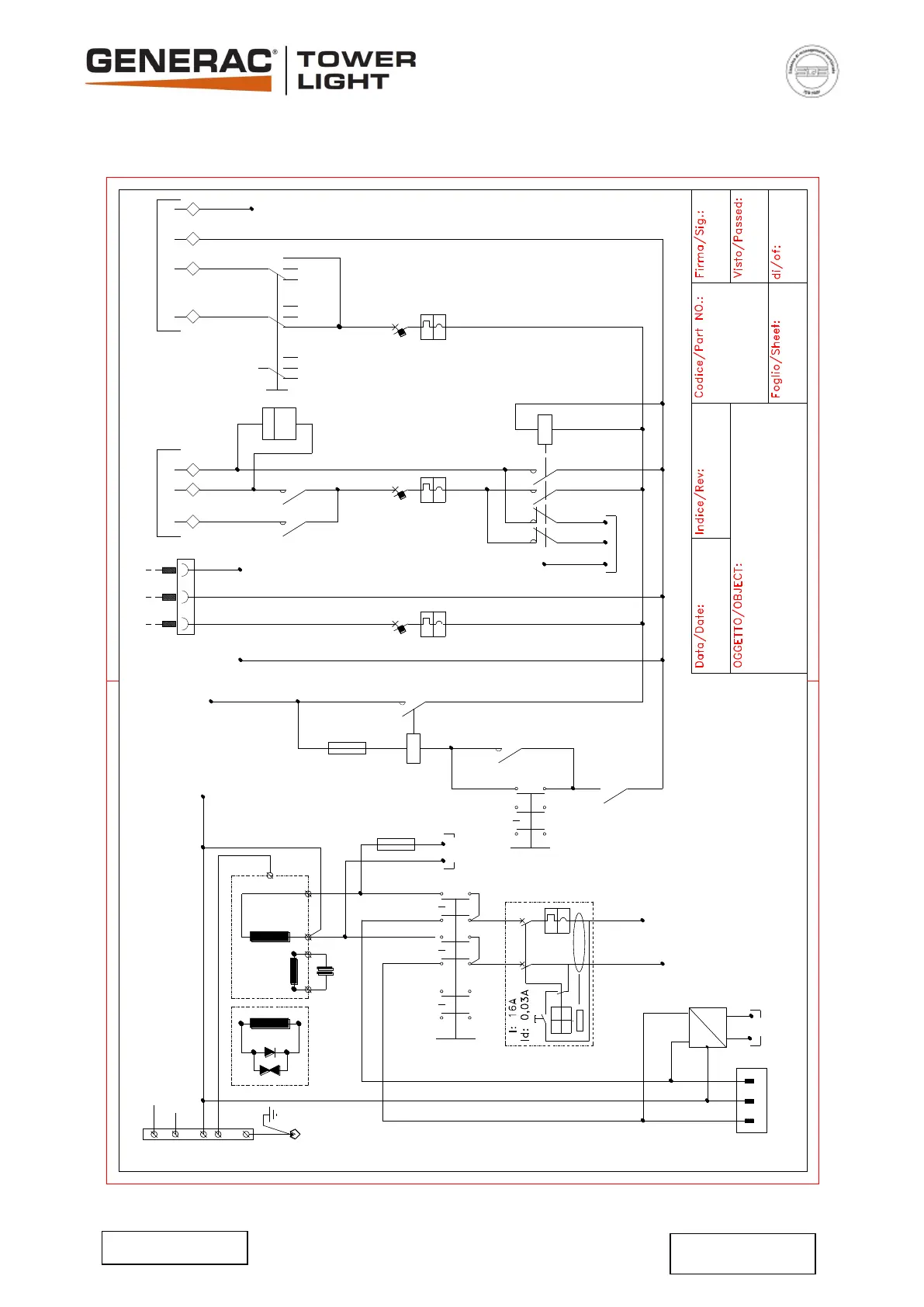
20.2 GENERAATTORI, LAMPPUJEN TARKISTUS ALTERNATOR, LAMP CONTROL
UP
0
DOWN
UP/DOWN
MUST
LEVER
---
2
000
240V 16A
2p+T input
NM
LM
GND
25µF
455 1
Pe
MAINS
0
DG
2
1
3
4
6
5
7
8
L
NI1
6A6A
L4
NG
LG
NG
LG
Pe bus bar
to the canopy
to the must/base frame
LV AC CONTROL
---
2
000
240V 16A
2p+T input
NM
LM
GND
25µF
455 1
Pe
MAINS
0
DG
N0
2
1
3
4
6
5
7
8
L
N0
LI1
L3
6A6A
L4
N0
NG
LG
NG
LG
AC
fuse
5A
Pe bus bar
to the canopy
to the must/base frame
K1
L50
H
NG
LG1
L0
L4.1
KGL1: GE-VSI contactor 20A Ith; coil 230V;
K1, K2, KL: LEDs contactor 16A Ith; coil 12Vdc;
KBC: protection contactor 20A; coil 230V;
AC
DC
Battery
Charger
_
+
LP
LE
N5
L5
3_7
4_7
4_7
M.C.
14
13
14
13
KBC
GB1
L11
N1.1
N0
N1
N0
L
L
MAINS
0
DG
MAINS
0
DG
G/V
N5
K2
L6
6A6A
KGL1
L
AC
fuse
5A
N0
L0
L
KEM
G/V
N0
N0
N0
N0
G/V
3_7
6_7
G/V
22.06.2016
1_7
L60
7
VT-Hybrid - 2016
KD350 - Victron - CRP
STF-000177

Table of Contents

Related product manuals