EasyManua.ls Logo

GFA TS 981 - Page 15

GFA TS 981
52 pages
Print Icon
To Next Page IconTo Next Page
To Next Page IconTo Next Page
To Previous Page IconTo Previous Page
To Previous Page IconTo Previous Page
Loading...
Page 15
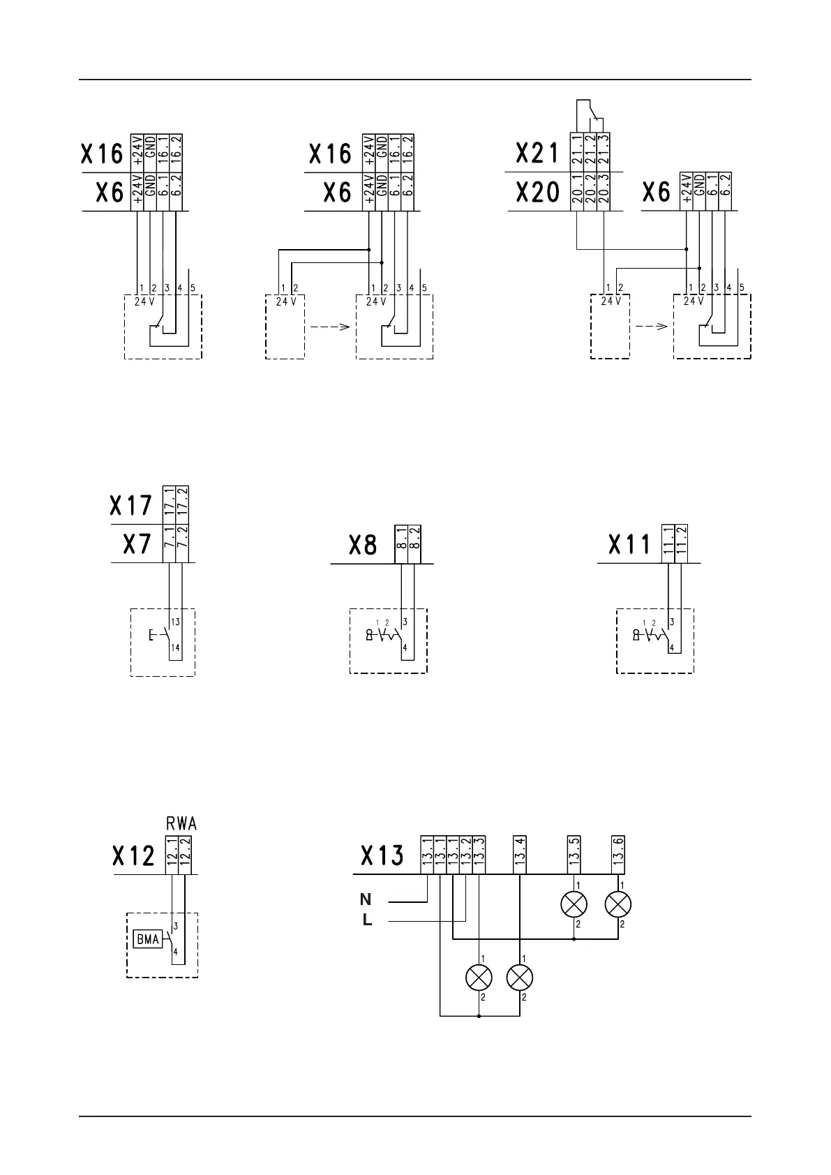
WIRING DIAGRAM
Reective photo-beam
inside or outside
Ceiling pull switch /
Radio control
inside or outside
Transmitter- Receiver
photo-beam
inside or outside
Red - Green
light
inside
or
Key switch ON / OFF
automatic closing
Key switch ON / OFF
Intermediate stop
Red - Green
light
outside
Smoke draining
contact RWA
external
or
X1 1.8/1.9
outside
inside
for closing direction
Transmitter- Receiver
light curtain
inside

Table of Contents

Related product manuals