EasyManua.ls Logo

Graco Reactor 2 H-XP3 - Proportioner Assembly Parts

Graco Reactor 2 H-XP3
102 pages
Print Icon
To Next Page IconTo Next Page
To Next Page IconTo Next Page
To Previous Page IconTo Previous Page
To Previous Page IconTo Previous Page
Loading...
Parts
Proportioner Proportioner
Proportioner
Assembly Assembly
Assembly
Parts Parts
Parts
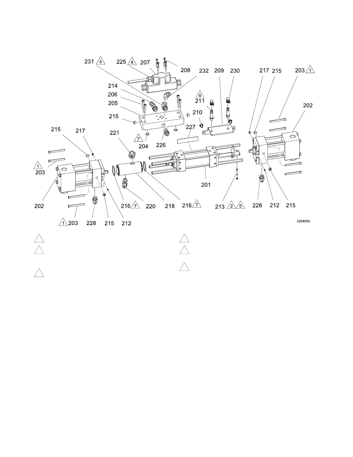
1
Torqueto200in.-lbs(22.6N●m).
2
Pin(213)tobeclockedhorizontalasshown.
3.
Applysstpipesealanttoallnon-swivelingpipe
threads.
4
Removecoverfromdirectionalvalve(207)
andattachsolenoidharnesswires(225).See
ElectricalSchematics,page94.
5
Fullyseatpin(213)withahammerandpunch.
6
Threadinproximityswitch(211)allthewayuntil
itcontactstheclockingplate,thenbackoffa
1/4–1/2turn.
7
Applygreasetoo-rings(204,216)before
assembly.
80 334946C

Other manuals for Graco Reactor 2 H-XP3

Related product manuals