EasyManua.ls Logo

Graco Reactor 2 H-XP3 - To HCM

Graco Reactor 2 H-XP3
102 pages
Print Icon
To Next Page IconTo Next Page
To Next Page IconTo Next Page
To Previous Page IconTo Previous Page
To Previous Page IconTo Previous Page
Loading...
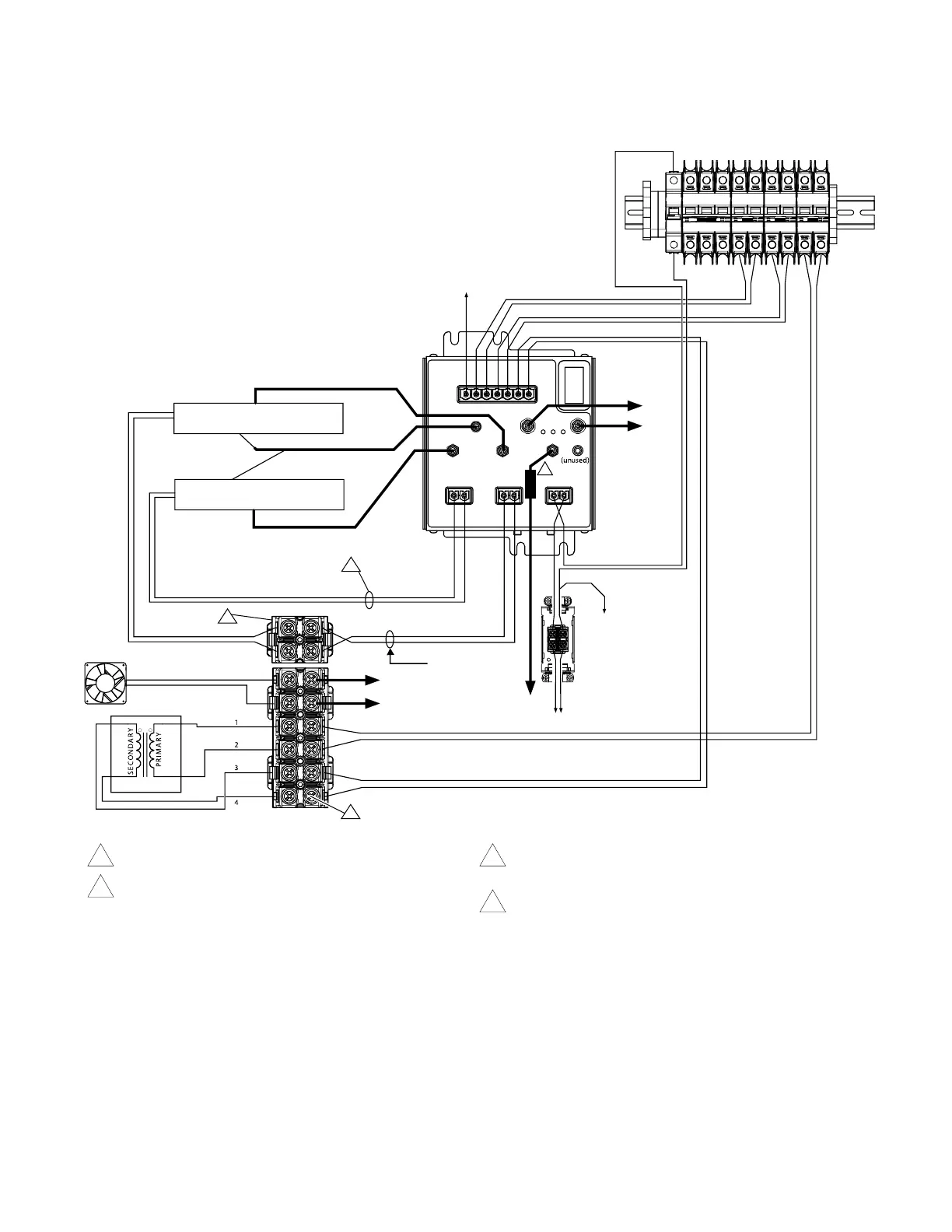
ElectricalSchematics
TCM TCM
TCM
Schematic Schematic
Schematic
1
15D906
24U855
CB11 CB12 CB13 CB14 CB15
HOSE
MOTOR A HEAT B HEAT TRANS
24X648 (15kW, 20kW),
24T242 (10 kW)
Overtemperature Switchs
BLKBLK
RED
TB21 / 17B856
TB31
17D780
To TB03
To TB02
10kW - 17G685
15k, 20kW - 17G686
To HCM
To ADM
To Ground Bar
To Ground
Bar
To Heated
Hose
2
24W204
A RTD
B RTD
B HEATER
A HEATER
Transformer Fan
24R756
Hose Transformer
127290
127068
127068
TCM
ti26607a
3
4
To Hose
RTD
1
LocatenearTCM.
2
DirectconnectheaterelementstoTCMfor15kW
and20kWsystems.Harness17G684andspice
connectors(255716)usedfor10kWsystems.
3
TerminalblockTB21onlyusedin15kWand20kW
systems.Usespliceconnectors255716for10kW
systems.
4
Torqueto35–45in.-lbs.(4–5N•m).
98 334946C

Other manuals for Graco Reactor 2 H-XP3

Related product manuals