EasyManua.ls Logo

GRASS ECOPRESS - Page 28

GRASS ECOPRESS
84 pages
Print Icon
To Next Page IconTo Next Page
To Next Page IconTo Next Page
To Previous Page IconTo Previous Page
To Previous Page IconTo Previous Page
Loading...
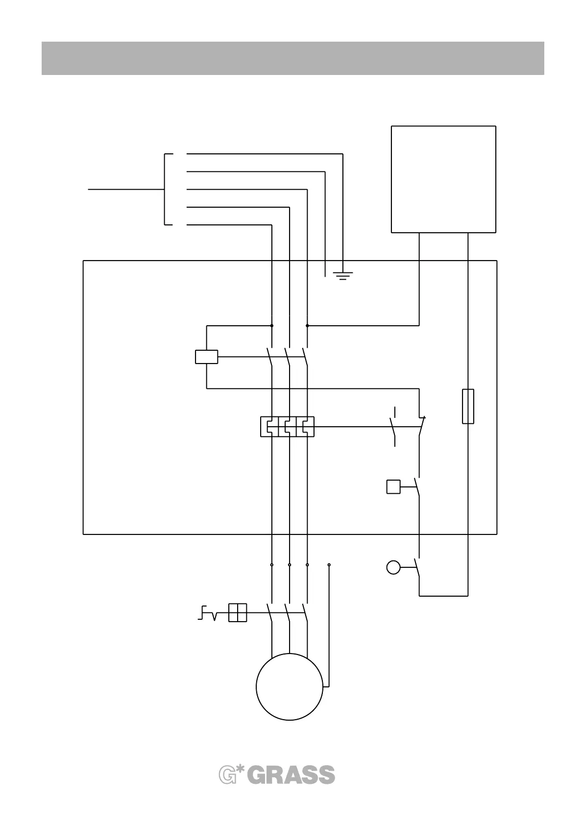
Illustration 7-407-01
28
4. Machine-Parts Description
The star in your cabinet
Elektroschrank
11 MOBRF R11
S1
P
98
97
95
96
F1
T1
T2
T3
K1
A1
A2
L1
T1
L2
T2
L3
T3
L1
L2
L3
N
PE
J1
M1
U
V
W
PE
Q1
L1
L2
L3
T3
T2
T1
F2
S2
S3
x1
x2

Table of Contents

Related product manuals