EasyManua.ls Logo

GUDEL FlexxPump 404DLS - 404 DLS 10-Fold; Fig. 5 -4 Design 404 DLS 10-Fold

Default Icon
137 pages
Print Icon
To Next Page IconTo Next Page
To Next Page IconTo Next Page
To Previous Page IconTo Previous Page
To Previous Page IconTo Previous Page
Loading...
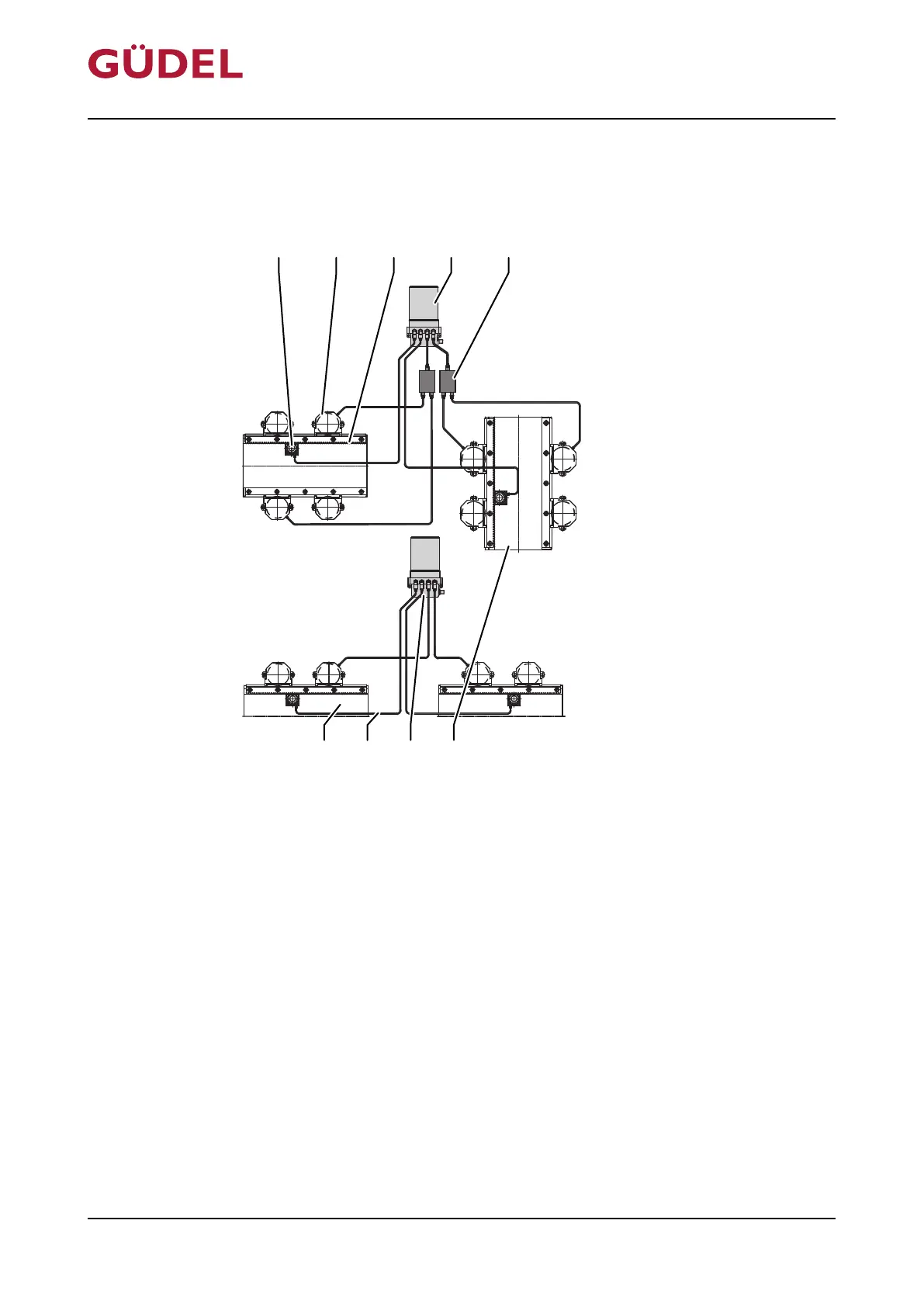
5.3.3.3 404DLS 10-fold
System with 10 lubrication points
D003081
A B C D E
I H G F
Fig.5-4 Design 404DLS 10-fold
A Lubricating pinion (not included in the
scope of delivery)
F 2nd axle (not included in the scope of
delivery)
B Lubricating element for guideway rails
(not included in the scope of delivery)
G 2nd FlexxPump 404DLS
C 1st axle (not included in the scope of de-
livery)
H Hydraulic hose diameter of 6/3mm
D 1st FlexxPump 404DLS I 3rd axle (not included in the scope of
delivery)
E 2x splitter
Commissioning
OPERATING MANUAL Automatic lubrication system
FlexxPump 404DLS
99079191943154059_v10.0_EN-US
40

Table of Contents

Related product manuals