EasyManua.ls Logo

HBS CD 2301 - Circuit Diagram

HBS CD 2301
70 pages
Print Icon
To Next Page IconTo Next Page
To Next Page IconTo Next Page
To Previous Page IconTo Previous Page
To Previous Page IconTo Previous Page
Loading...
56 CD 2301 Order No. BA 92-12-0231A Issue 05.01.10
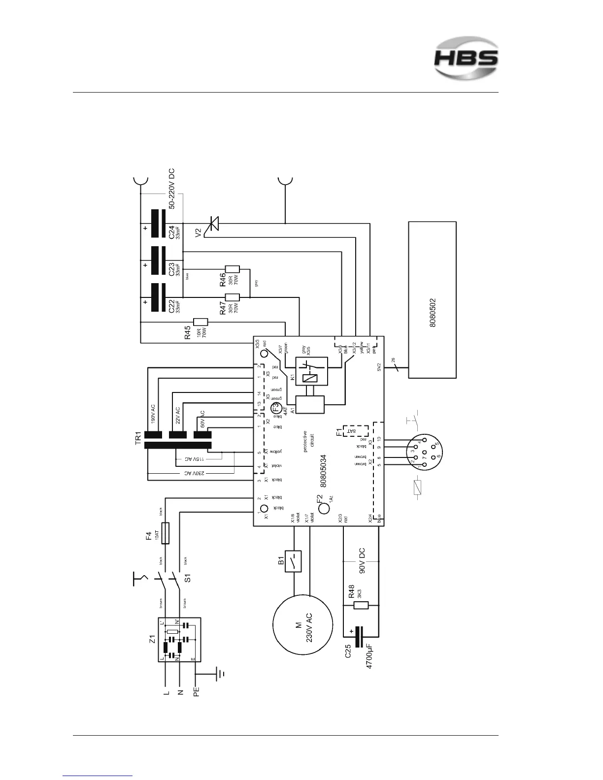
8.3 Circuit Diagram
8 Appendix
8.3 Circuit Diagram

Related product manuals