EasyManua.ls Logo

Hisun 700UTV - Page 88

Hisun 700UTV
124 pages
Print Icon
To Next Page IconTo Next Page
To Next Page IconTo Next Page
To Previous Page IconTo Previous Page
To Previous Page IconTo Previous Page
Loading...
88
1
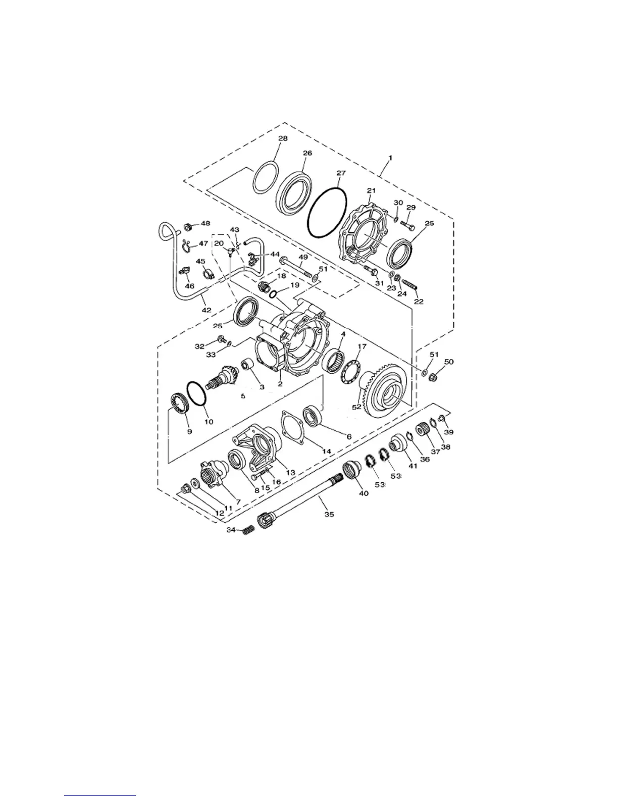
rear axle differential components 2、
retarder shell 3、
sulcate ball bearing6305 4、

Related product manuals