EasyManua.ls Logo

Hisun 700UTV - Front Suspension

Hisun 700UTV
124 pages
Print Icon
To Next Page IconTo Next Page
To Next Page IconTo Next Page
To Previous Page IconTo Previous Page
To Previous Page IconTo Previous Page
Loading...
93
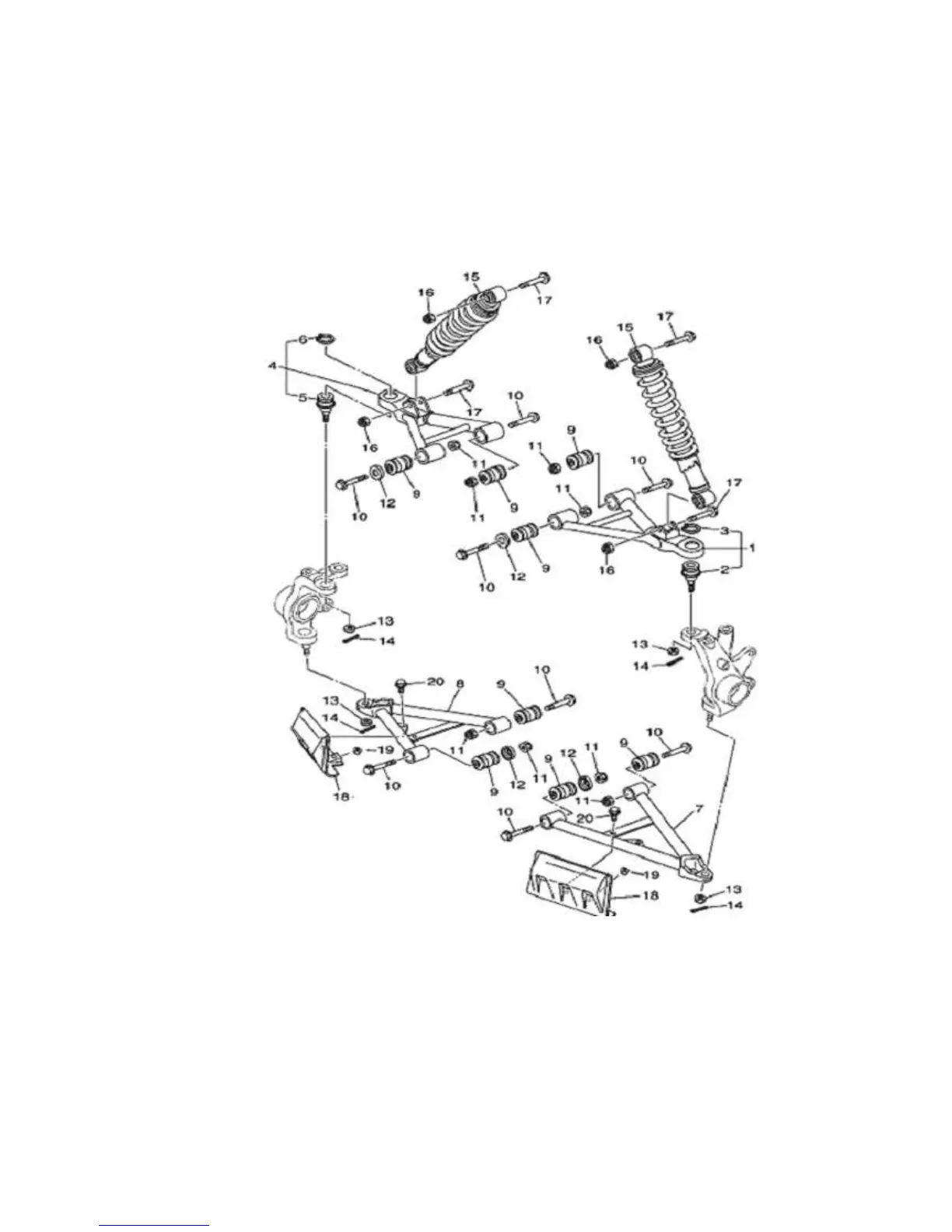
4.6.2.Front Suspension
1、axes using
spring flange
2、front
right upper rocker combination
3、front ball pin parts
4、axes using
spring flange
5、front left
lower rocker combination
6、front right lower
rocker combination
7、
rocker
rubber middle membrane
8
hexagon flange surface bol
M10×70
9、
hexagon self-lock

Related product manuals