EasyManua.ls Logo

Hitachi VIV-E553LE - Page 81

Hitachi VIV-E553LE
118 pages
Print Icon
To Next Page IconTo Next Page
To Next Page IconTo Next Page
To Previous Page IconTo Previous Page
To Previous Page IconTo Previous Page
Loading...
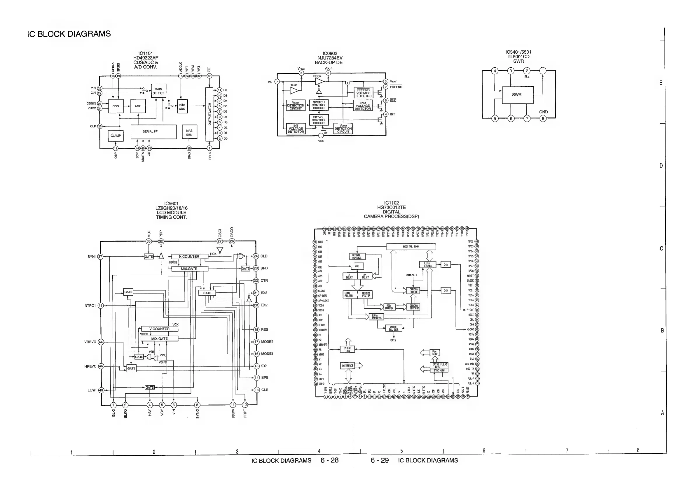
iC
BLOCK
DIAGRAMS
101101
Icog02
1C5401/5501
HD49323AF
NJU7284EV
TL5001CD
ea
CDS/ADC
&
%
BACK-UP
DET
SWR
5
&
AID
CONN:
8
&
z
is
\8
VREG
Vout
3)2)
DETECTOR
Vswi
SWITCH
END.
DETECTION}
>|
CONTROL
C-]
vottaee
CIRCUIT
CIRCUIT
DETECTOR
INT
VOL,
CONTROL
CIRCUIT
INT
Vsw2
VOLTAGE
DETECTION
DETECTOR
CIRCUIT
(17)
G5)
wo
{C5601
101102
LZ9GH20/18/16
HG73C012TE
LCD
MODULE
DIGITAL
TIMING
CONT.
CAMERA
PROCESS(DSP)
(8)
osco
SYNI
H.COUNTER
[
CLD
NTPCi
(41)
EX2
VREVC
(44)
MODE2
MODE1
HREVC
(46)
EX!
LOwI
(43)
CLS
1
2
3
4
|
5
|
6
IC
BLOCK
DIAGRAMS’
6
-
28
6-29
!C
BLOCK
DIAGRAMS

Related product manuals