EasyManua.ls Logo

Hitachi VIV-E553LE - Audio [Monaural]

Hitachi VIV-E553LE
118 pages
Print Icon
To Next Page IconTo Next Page
To Next Page IconTo Next Page
To Previous Page IconTo Previous Page
To Previous Page IconTo Previous Page
Loading...
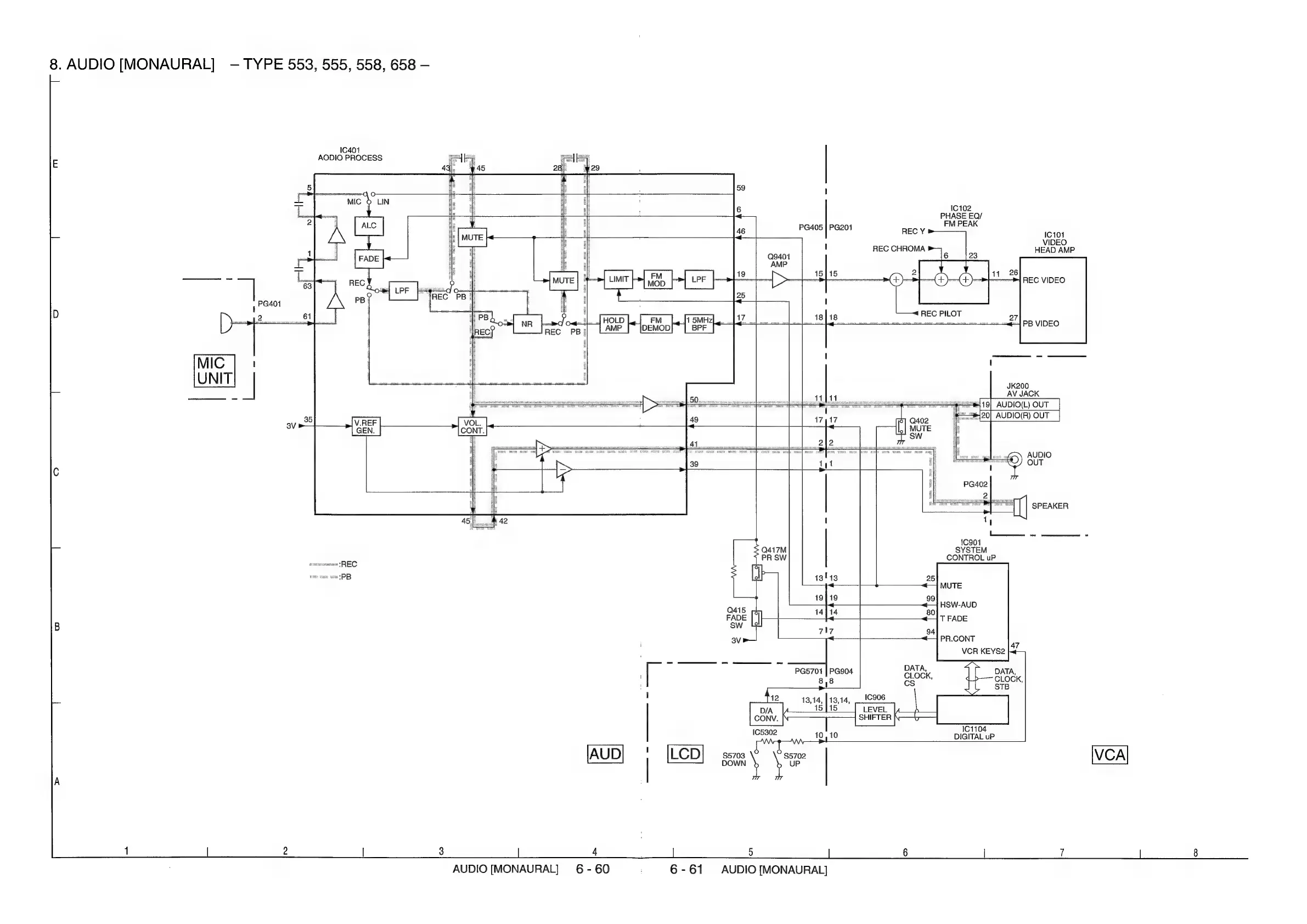
8.
AUDIO
[MONAURAL]
TYPE
553, 555, 558,
658
E
1
IC102
PHASE
EQ/
PG405
|
PG201
seeps
eens
|
REC
CHROMA
PG401
t
D
>
5
MIC
UNIT
JK200
Na
AV
JACK
eee
eee
AUDIO(L)
OUT
Nace
e
AUDIO
C
:
=|
SPEAKER
L's
:
16901
Q417M
SYSTEM
PR
SW
CONTROL
uP
MUTE
Sarg
HSW-AUD
FADE
<«—|T
FADE
B
sw
;
3ve—
PR.CONT
VCR
KEYS2
ie
|
1C5302
10
|
eae
a
DIGITAL
uP
I
J
I
|
DOWN
UP
A
=
1
2
3
4
5
6
7
AUDIO
[MONAURAL]
_
6
-
60
6-61
AUDIO
[MONAURAL]

Related product manuals