EasyManua.ls Logo

Hitachi VIV-E553LE - Page 97

Hitachi VIV-E553LE
118 pages
Print Icon
To Next Page IconTo Next Page
To Next Page IconTo Next Page
To Previous Page IconTo Previous Page
To Previous Page IconTo Previous Page
Loading...
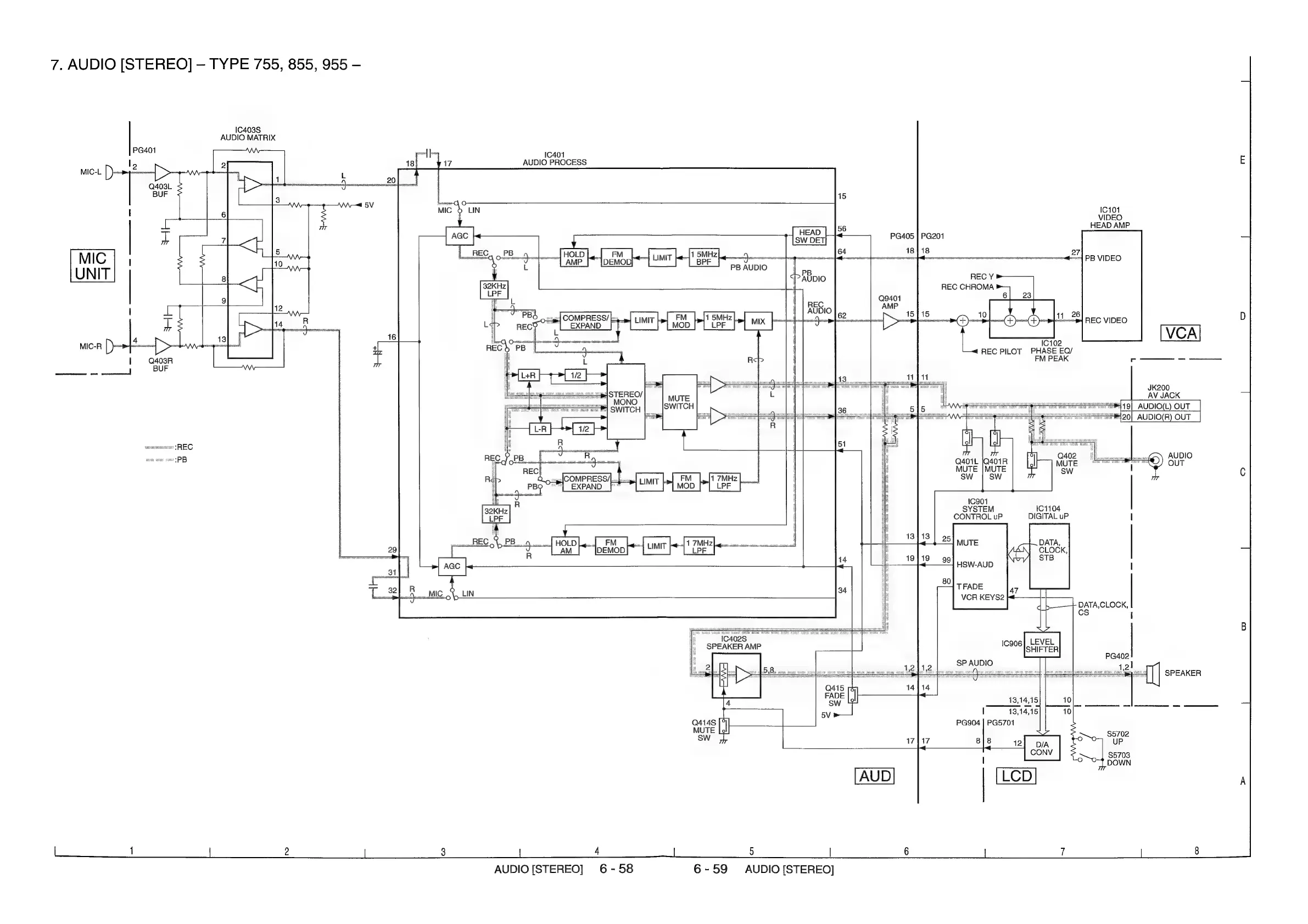
7.
AUDIO
[STEREO]
TYPE
755,
855,
955
IC403S
AUDIO
MATRIX
PG401
mic-L
[)
le
>
Q403L
BUF
1C401
AUDIO
PROCESS
1C101
VIDEO
HEAD
AMP
PG405
|
PG201
UNIT
REC
Y
REC
CHROMA
I
MIC
|
$
l
10102
REC
PILOT
PHASE
EQ/
FM
PEAK
oo
MIc-R
|)
:
I
Q403R
ee
Cena
|
BUF
JK200
AV
JACK
AUDIO(L)
OUT
120|
AUDIO(R)
OUT
ey.
soos
nenfannnmnsainatasiianpansineenss
aad
AUDIO
rome
ee
5
EPR
greene)
Perera
asi
lasoir
AUD
:
REQ)
esa
MUTE
|MUTE
lel
Re
Qo
[COMPRESS
/escfngs
:
PBoC*™|
EXPAND.
|"
ae
icg9o1
32KHz
SYSTEM
IC1104
Lee
CONTROL
uP
DIGITAL
uP
_BEC,},PB_9
[HOWL
cur
st
25|
ure
een
pemop[*
LIMIT
1"
lpr
99]
sw-AUD
80)
+
FADE
ee
ATA,CLOCK.
DATA,
5;
q_Dp:
cs
“ie4028
ak
SPEAKER
AMP
\c906]
LEVEL.
ia
ly
SP
AUDIO
14144
I
13,14,15
Fi
a
emer
Ds
PGg904
|
PG5701
$5702
17147
als
4s
ie
$5703
l
DOWN
1
2
3
4
5
l
6
7
9
AUDIO
[STEREO]
6-58
6-59
AUDIO
[STEREO]

Related product manuals