EasyManua.ls Logo

Hitachi VIV-E553LE - System Control

Hitachi VIV-E553LE
118 pages
Print Icon
To Next Page IconTo Next Page
To Next Page IconTo Next Page
To Previous Page IconTo Previous Page
To Previous Page IconTo Previous Page
Loading...
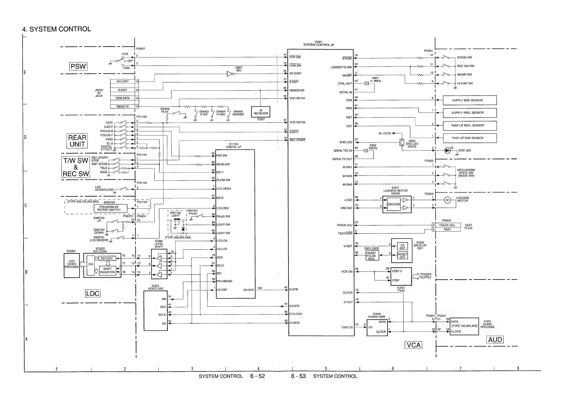
4.
SYSTEM
CONTROL
PSW
f
14
13
Q907
INV
20
IC901
SYSTEM
CONTROL
uP
VCR
SW
STAGE
CAM
SW
CASSETTE-SW
AV
CONT
ME/MP
S
EDIT
XTAL
OUT
44
REMOCON
EXTAL
IN
VCR
KEYS1
ESS
RSS
RST
VCR
KEYS2
EST
EJECT
REC
START
END
LED
AV.CONT
i
JK200
8
JACK
REM
DATA
>
REMOTE
l
SUA
a
swo04
i
swe0s
IR
-——
-
son
STOP
FFWD
/
REWIND
RECEIVER
ie
\C907
47
EJECT
FOCUS-N
+00
:
15
FOCUS-F
O
:
|
D
REAR
FADE
$}—o-~o—
1
3
ae
UNIT
ELS
2
IC1104
DIGITAL
|
_¢-~G_p44
DIGITAL
uP
ms
a
E-
,
oe
PG1104
REC
START.
TW
SW)
sehen
INSTZOOM
O
6
&
TELE
©
4
RECSW)
“re
PG1105
LCD
lo
OPEN/CLOSE
|
[TYPE
658,755,855,955]
‘gws7oa
sSt«w
Pat
108
|
:
!
areerenrg,
Le
|
hot pat
Io
LS
aden
F
swi302
7
PALO
PG5701
|
Pa904
SW5702
uP
101
40
|
°F
!
I]
¢
|
SW5703
2
|e
|
DOWN
$W5701
cal
ie
[TYPE
658,855,955)
LCD
REVERS
16906
l
LEVEL
1C5302
SHEL
1C5301
D/ACONV,
10
sls
ol
Ges
J
oo
13!
13
6
4
5
1
:
“ey
a
7
l
IC20
|
VIDEO
DSP
100
a2
:
I
HB
SLD
45
SCLK
4
|
45 43
|
sp
A
I
l
1
2
4
SYSTEM
CONTROL
6-52
32KHz
TEX
IN
32KHz
TX
OUT
M-SW1
M-Sw2
M-SWO
69
LOAD
70
UNLOAD
TRACK
ADJ
TEST/NOR
IVE
1
1
>
(™)
i
a
PG603
PQS01
16 12
AW
O~o—
STAGE
SW
53
ul
REC
INH
SW
17
to
ME/MP
SW
X901
40
41
8MHz
9
q
Hi-8
MP
SW
I
59
8
SUPPLY
END
SENSOR
61
71
“a
SUPPLY
REEL
SENSOR
58
B+
(VCR)
27
x
902
DRIVE
x
84
32KH
2
1
z
3)
oi
17°
LED
85
P@go2
Sa
4
1
©
MECHANISM
-
2
STATE
SW
(MODE
SW)
12
3
©
IC671
LOADING
MOTOR
=
3
se
ea
ey
DR
PG6o4
4.
1
LOADING
MOTOR
Q901,Q902
RESET
PULSE
GEN.
=
5
SYSTEM
CONTROL
6
-
53
IC904
CHARA
GEN
DATA
1
CLOCK
POWER
SUPPLY
PG201,
PG401
2ilar
53
DATA
i,
[TYPE
755,855,955]
]
pROCESsS
CLOCK

Related product manuals