EasyManua.ls Logo

Hitachi VIV-E553LE - Page 95

Hitachi VIV-E553LE
118 pages
Print Icon
To Next Page IconTo Next Page
To Next Page IconTo Next Page
To Previous Page IconTo Previous Page
To Previous Page IconTo Previous Page
Loading...
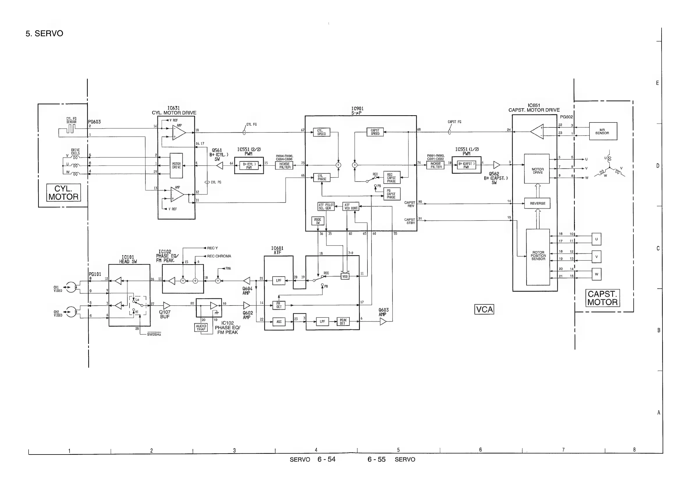
5.
SERVO
C651
I
10631
1c901
CYL.
MOTOR
DRIVE
S-#P
CAPST.
MOTOR
DRIVE
SENSOR
PG603
ace
CAPST
FG
2
68
|
—4-
_
I
DRIVE
Q561
10551
(2/2)
10551
(1/2)
PWM
R691-R693,
C691-C693
2%
10)
fas
capst
y]_
14
>
FILTER
PAM
562
B+
(CAPST.
)
SW
B+
ae
)
PWM
R694-RE96,
@)
i}
C694-C696
YL
PHASE
U
MOTOR
64
g
Bt
(CYL
)
_
[ss
NOISE
73
!
OO”
DRIVE
<
r
PUM
¥
FILTER
Ww
4
29
\
OO™
r
66
I
CYL
PG
CYL
13
:
i
12
ATF
PILOT]
ATF
SEL.
GEN
vco
o
82
65]
|
60
35
REC
Y
1C601
ATF
REC
CHROMA
|
Q604
AMP
PHASE
E07
ett
FM
PEAK.
ROTOR
POSITION
SENSOR
I
|
i
|
|
I
1
ae
os
|
{CAPST.
MOTOR
Q602
AMP
*
Ic102
PHASE
EQ/
FM
PEAK
j
2
3
4
5 6
;
7
8
SERVO
6-54
6-55
SERVO

Related product manuals