EasyManua.ls Logo

Honda BF15D - Page 189

Honda BF15D
398 pages
Print Icon
To Next Page IconTo Next Page
To Next Page IconTo Next Page
To Previous Page IconTo Previous Page
To Previous Page IconTo Previous Page
Loading...
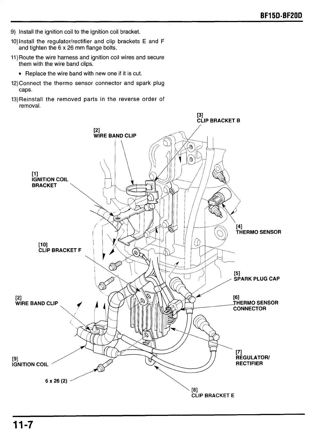
9)
Install the ignition coil to the ignition coil bracket.
10) Install the regulatorhectifier and clip brackets
E
and
F
11)Route the wire harness and ignition coil wires and secure
and tighten the
6
x
26
mm flange bolts.
them with the wire band clips.
Replace the wire band with new one if it is cut.
12)Connect the thermo sensor connector and spark plug
13)Reinstall the removed parts in the reverse order of
caps.
removal.
131
CLIP BRACKET B
6
x
26
(2)
,’
CLIP
BRACKET E
11-7

Table of Contents

Other manuals for Honda BF15D

Related product manuals