EasyManua.ls Logo

Honda BF15D - Oil Case; Friction Adjust; Mount Frame; Stern Bracket

Honda BF15D
398 pages
Print Icon
To Next Page IconTo Next Page
To Next Page IconTo Next Page
To Previous Page IconTo Previous Page
To Previous Page IconTo Previous Page
Loading...
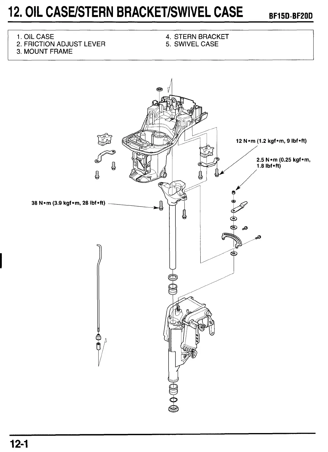
12.
OIL CASUSTERN BRACKETlSWlVEL CASE
1.
OIL
CASE
2.
FRICTION ADJUST LEVER
3.
MOUNT FRAME
4.
STERN BRACKET
5.
SWIVEL CASE
12 N*m (1.2 kgfom, 9 Ibfoft)
2.5 N-m (0.25 kgfom,
------4b
38 Nom
(3.9
kgf-m, 28 Ibf-ft)
1
2-1

Table of Contents

Other manuals for Honda BF15D

Related product manuals