EasyManua.ls Logo

Honda BF15D - Page 345

Honda BF15D
398 pages
Print Icon
To Next Page IconTo Next Page
To Next Page IconTo Next Page
To Previous Page IconTo Previous Page
To Previous Page IconTo Previous Page
Loading...
BF15DoBF20D
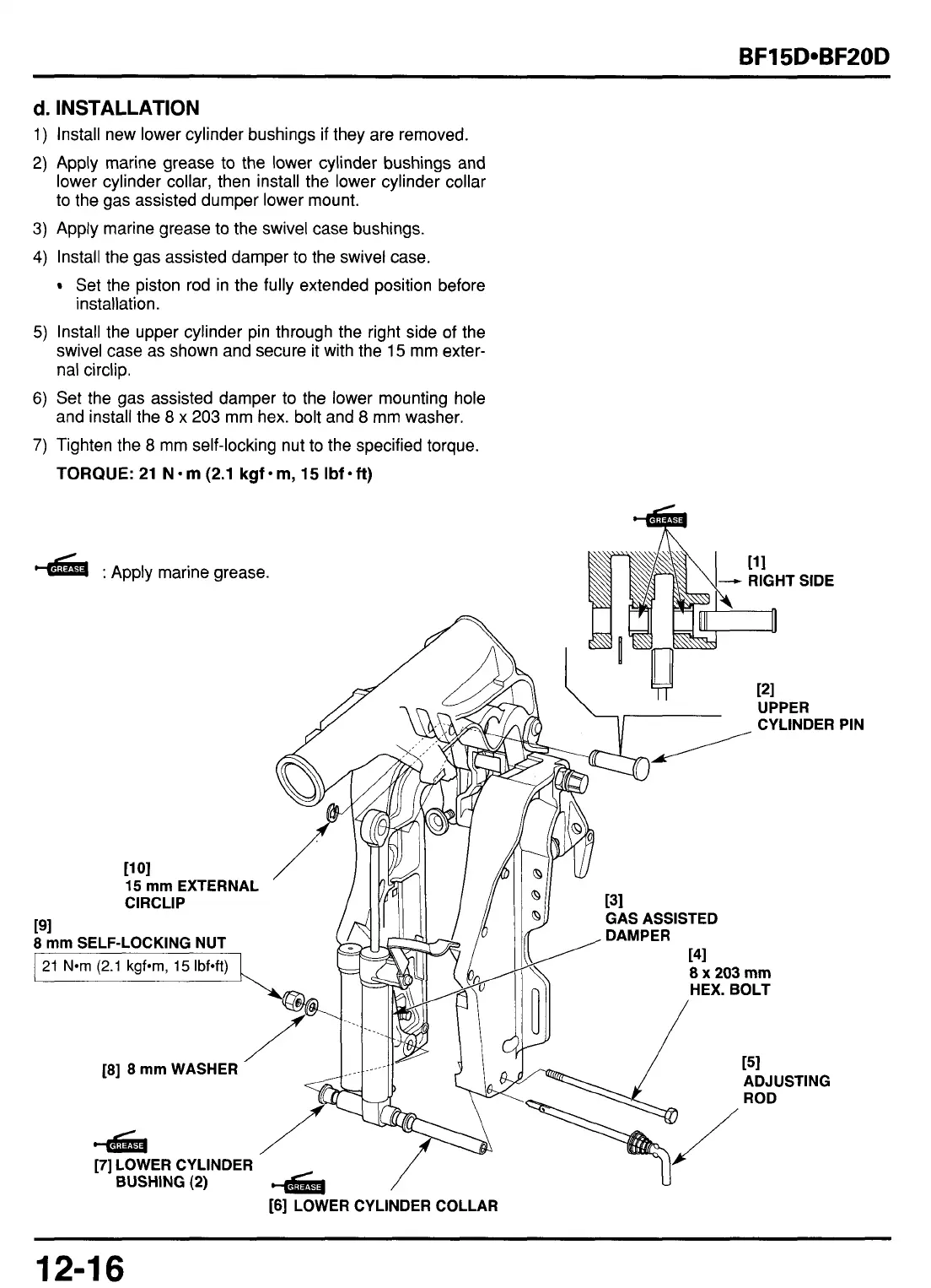
d.
INSTALLATION
1)
Install new lower cylinder bushings if they are removed.
2)
Apply marine grease to the lower cylinder bushings and
lower cylinder collar, then install the lower cylinder collar
to the gas assisted dumper lower mount.
3)
Apply marine grease to the swivel case bushings.
4)
Install the gas assisted damper to the swivel case.
Set the piston rod in the fully extended position before
installation.
5)
Install the upper cylinder pin through the right side of the
swivel case as shown and secure it with the
15
mm exter-
nal circlip.
6)
Set the gas assisted damper to the lower mounting hole
and install the
8
x
203
mm hex. bolt and
8
mm washer.
7)
Tighten the
8
mm self-locking nut to the specified torque.
TORQUE:
21
N-m
(2.1
kgf-m,
15
Ibf-ft)
4
:
~pp~y marine grease.
15
mm
EXTERNAL
ClRCLlP
[8] 8
mm
WASHER
ADJ USTlNG
[7]
LOWER CYLINDER
BUSHING (2)
GAS ASSISTED
141
8
x
203
mm
HEX. BOLT
/
PIN
[6] LOWER CYLINDER COLLAR
12-1
6

Table of Contents

Other manuals for Honda BF15D

Related product manuals