EasyManua.ls Logo

Honda CB400A - Transporting Your Motorcycle

Honda CB400A
317 pages
Print Icon
To Next Page IconTo Next Page
To Next Page IconTo Next Page
To Previous Page IconTo Previous Page
To Previous Page IconTo Previous Page
Loading...
HONDA
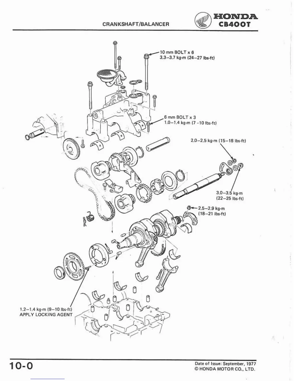
CRANKSHAFTIBALANCER
CB400T
10 mrn BOLT
x
6
3.3-3.7
kgm 124-27 lbs-ft)
6mmBOLTx3
1.0-1.4 kg-m 17 -10 lbs-ft)
APPLY LOCKING AGENT
10-0
Date
of
Issue: September, 1977
O
HONDA MOTOR CO., LTD.

Table of Contents

Other manuals for Honda CB400A

Related product manuals