EasyManua.ls Logo

Honda CB400A - Page 237

Honda CB400A
317 pages
Print Icon
To Next Page IconTo Next Page
To Next Page IconTo Next Page
To Previous Page IconTo Previous Page
To Previous Page IconTo Previous Page
Loading...
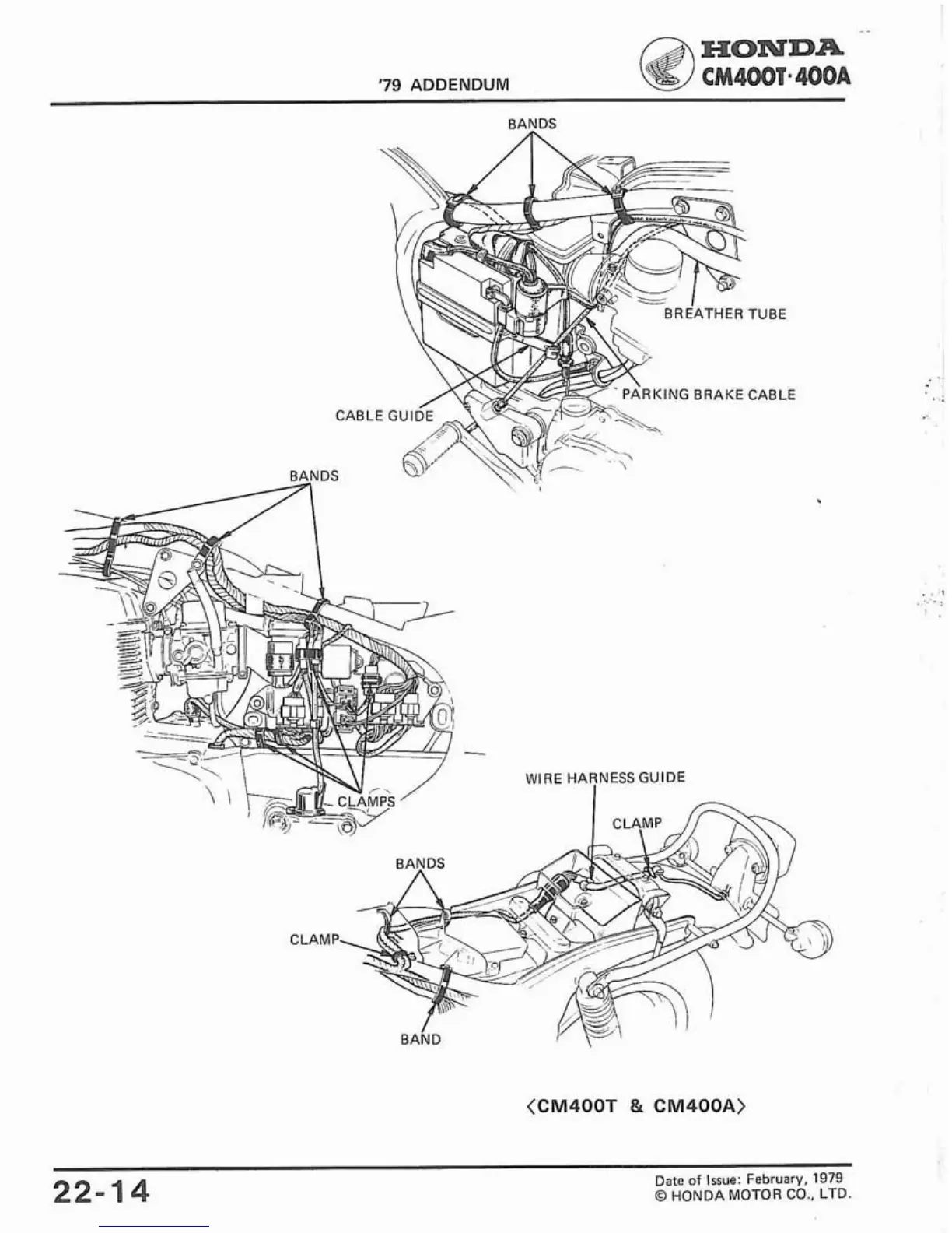
'79
ADDENDUM
.
.
HONDA
CM400T. 400A
BANDS
RKlNG BRAKE CABLE
22-14
Date
of
Issue: February,
1979
O
HONDA MOTOR CO.,
LTD.

Table of Contents

Other manuals for Honda CB400A

Related product manuals