EasyManua.ls Logo

HP 5300A - Page 82

HP 5300A
90 pages
Print Icon
To Next Page IconTo Next Page
To Next Page IconTo Next Page
To Previous Page IconTo Previous Page
To Previous Page IconTo Previous Page
Loading...
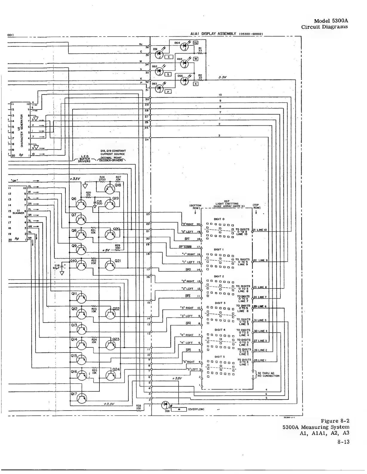
Model 5300A
Circuit
Diagrams
001)
AIAI
DISPLAY
ASSEMBLY
(05300-60002)
3.5V
a
v2
CHARACTER
GENERATOR
oa
al
Td
]
ee
ee
a
8
g
b
Qt8,
019
CONSTANT
CURRENT
SOURCE
3
LED.
DECIMAL
POINT
7
pBUSEER
—\
/DECODER-DRIVERSN
-
os?
LIGHT
EMITTING
{BOTTOM
(Top
ROW)
eon
DIODE
ARRAY
{NOTE
3)
ROW)
d
4
4
7
foro
20,
TQ
Qn0qgg
re
a
fs)
~=--+-4L
©
TO
DIGITS
:
Lo
ay
7
LTS
BSS:
del
INE
10
OD
Line
10
Go
1
o
Pan
GoOoagq
ort
ie,
0
1
©
?
1
BP
COMM
174,
OIGIT
1
2p
ae
i
ricuT_
16}
f90500g
Sorte
0
D
To
DIGITS
=
oc:
4G
's>
b22_LINE
9
no
8o
e
ie
v
oy
dees
Oo
uwes
p
ae
S00000qg
potas
OO
ft
DIGIT
2
t
“2°
RIGHT_134,
99e0q
~=-~-~~
o
O
TO
DIGITS
a)
gp
oTos
FFunes
aa
LINE
8
o
9900
TO
DIGITS
j
h
.
QOSITS
424
LINE
7.
t
DIGIT
3
ERE
aa
TO
OIGITS
‘staat
of
TG
0o50gQ
005
A29
LINE
6
i
°
8
AG
aS
Cay
CY
Ch
Cb
(aes
i
TF
al
al
=f
ae)
ta
fa
SHEE
LINE
S$
LINE
6
Qa
Sg
TO
DIGITS
OTO
5
QoLuinE
S
i
i
TO
DIGITS
OTOS
Q2CuiNe
4
LINE
4
To
OIGITS
DOIGITS
La7
LINES
LINE
3.
i
&
Py
cc,
Figure
8-2
5300A
Measuring
System
Al,
A1lAl,
A2,
A3
8-13

Related product manuals