EasyManua.ls Logo

HP 5300A - Page 90

HP 5300A
90 pages
Print Icon
To Previous Page IconTo Previous Page
To Previous Page IconTo Previous Page
Loading...
Model
5300A
Circuit
Diagrams
=
Dicit
4
DIGIT
5
DIGIT
6
DIGIT
7
OVERRANGE
1
Se
4
Tego
ee
eT
the
ee,
NS
|
aan
aaa
Yo
er
aN
SONOS
ECE
OB
A
8
c
D
A
B
c
o
A
8
Cc
0
A
8
Cc
D
A
B
COD
+
£
+
&
"
12
36
37
13
14
«38
©
39
6
6
40
4
I?
1
42
43
19
20
44
45
22
23
24
50
"
9
7
Q,
—_—
uSsB
1820-0614
1820-0614
"ag"
"Be"
"ag"
"Ag"
"go"
O
--
O
-_--
e
—--
-
O
--
oO
~—
WHT-ORN
WHT-BLK-VIO
WHT-
BLU
WHT-BLK-BRN
WHT-BRN-YEL
NC
x
BRN-|
@
.
GRN
|
yt
2S
SSS
Sia
eS
Re
SS
BS
See
Se
ee
Se
pee
ee
eS
ee
eee
ee
eee
ee
ee
ee
ee
ee
hee
eee
a
---{
xr
=
AG
86
as
Ba
Ag
89
a7
B7
Alpi
BIO
AIO
DATA
CLOCK
#
K
s
Mu
Hz
MANUAL
RESET
HOLD
GND
#5V
(FROM
UI,R/L)
(3
(30)
(29)
(28)
(27)
AlJI(32)
FROM
U5
10533-9-1
&U7(8)
;
\
—v
i
FROM
AlJl
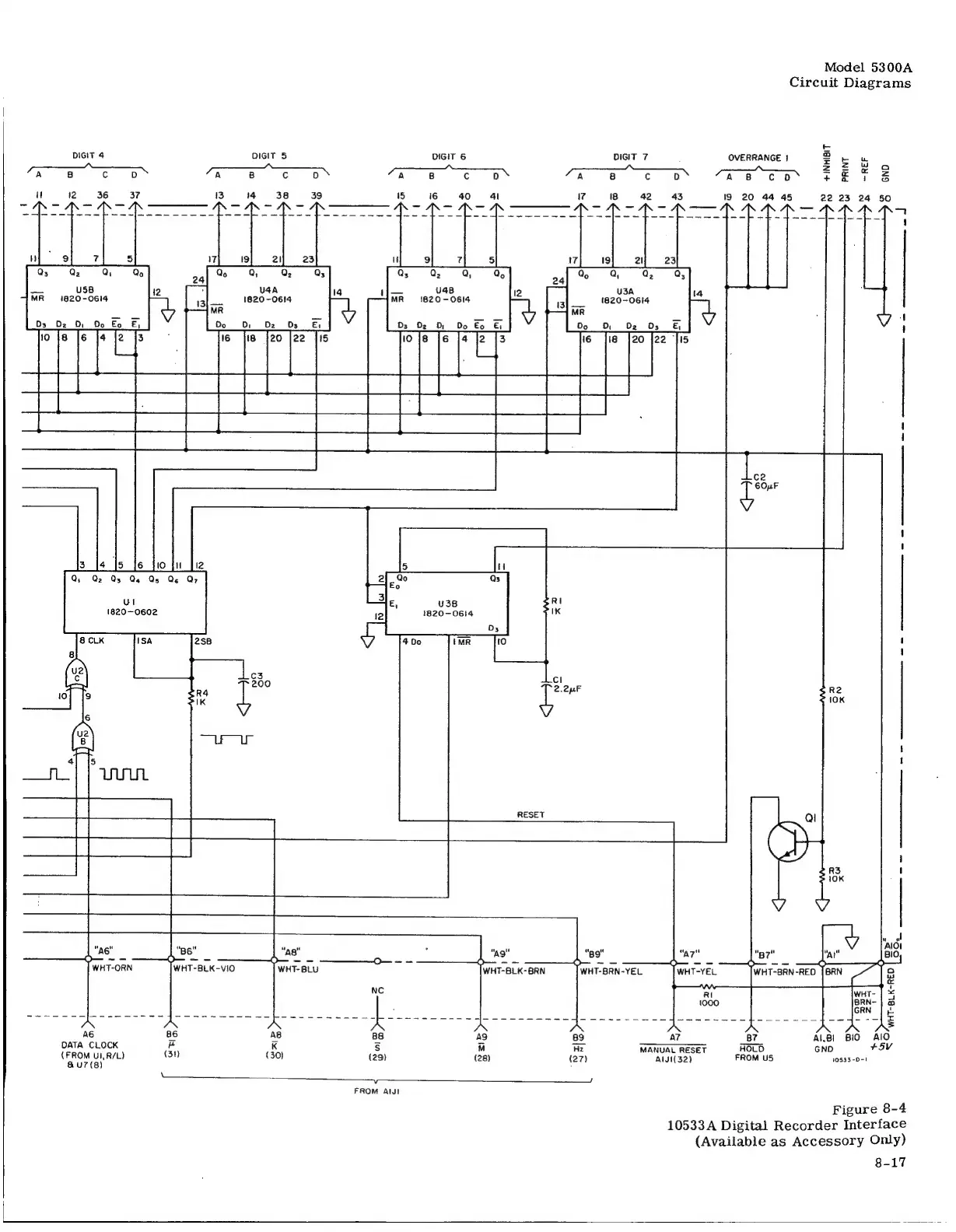
Figure
8-4
10533A
Digital
Recorder
Interface
(Available
as
Accessory
Only)
8-17

Related product manuals