EasyManua.ls Logo

HP 654A - Page 67

HP 654A
82 pages
Print Icon
To Next Page IconTo Next Page
To Next Page IconTo Next Page
To Previous Page IconTo Previous Page
To Previous Page IconTo Previous Page
Loading...
CI4
A
8
D
RI3
R14
CIO
RIT
UNDER
WAFER
C
E
RI5
RANGE
SWITCH
S2
hp
Part
No.
00653-61901
H
A2
SCHEMATIC
COMPONENT
LOCATIONS
R
El
C
CR
L
DSV
R
a
CR
R
1
B13
£14
D13
114
B17
C22
16
- - -
31
E20
2
D13
C16
JIS
H14
C18
17
D16
32
- - -
3 .
D13
E16
116
J14
F18
18
F16
33
C22
4
J13
C17
J15
F16
19
F17
34
B25
5
J14
DI8
J16
C17
20
B20
35
C24
6
H14
E18
- - -
C15
21
B18
36
C24
7
F115
E20
- - -
D17
22
D18
37
D24
8
J16
C23
B17 E17
23
E18
38
C23
9
F13
C25
HIS
F19
24
F18
C26
39
D24
10
£14
C26
E18
FI9
25
F14
40
326
11
DIS
E19
E20
26
F19
D15
41
- - -
12
F15
£20
B26
27
E19
42
13
1114
B19
28
F18
43
D26
14
EIS
- - -
29
---
44
15
B16
30
E19
45
2
3
A I 6 I 7 I
8 9
S2RI
52R
3
I2M I.24M
P/0
S2
I
RANGE
620(F)
CIA/
tiC113
14-6I7PF 14-617PF
FREQUENCY
A
P/O
S2
I
RANGE
vi:,*;
Ar
dc
I4-617PF
S2D(R)
P/O
S2
[
RANGE
szo(q)
S2R2
*
150K
EICI
ElE
3100
X100
S2R4
I24K
S2R5
I2.4K
I Si 2FC
16
*
S2CI
*
p e
j1.5PF
Fag<
0
CEI3
10KHz
ADJUST
MOM
S2C2
2-10PF
O
o
X100
X
1K
OEM
IS2C3
*
..-s
82PF
0
X1OK
411.
S2R6
5.2
R7
I.24K:
124
X
100K
IMHz
ADJUST
MUM
S2C4
2-10PF
X
00K
10MHz
ADJUST
MOM
S2C6
2-10PF
S2C5
*
82PF
I X
100K
I
raa
S2C7
*
10PF
12 13
Fvo42
14
15
OSCILLATOR
AND
OUTPUT (
00654
-
66502)
18
19
I
20
I
21
I
FREQUENCY
ADJUSTABLE
OSCILLATOR
935
iII
Pos
AC
FEEDBACK
• •
NEO
AC
AND
OC
FEEDBACK
RI
2210
FEEDBACK
LEVEL
ADJ
mIZI•
S2
R17
1K
5
-1111-
••
• •
s
• •
4- -
411- • • -
44-
4-
le • .
0
0
P/0
S2
RANGE
S2B(R)
S2R10
*
1.8M
o
P/0
S2
RANGE]
S213(F)
XIO
X100
KIKI
10KHz
ADJUST
MOB
O
X
10K
S2R9
24.3M
ElE
S2Ri
2.6114
52C17
*
I.5PF
X100
S2RI2
261K
S2C8/2
-10PF
52C13
*
1.5
PF
X1K
S2RI3
26.1K
1MHz
ADJUST
M
g.
O
IX
OOKI
S2C10/
2-10PF
_S2C9
5
"5PF
e—
O
S2
X1OK
10MHz
ADJUST
O
•-
52C12
2-10PFr
_szcii*
T5PF
S2RI4e
S2RI5
2.6IKP
274
01)000K
!RANGE
CD
()
0 A
A
(F)
(
R) (
F) (
R) (
F) (
R) (
F) (
R) (
F) (
R)
rim
_S2C15
*
10PF
P/0
S2
0
RANGE
[ o
SEC(F)
Ella
O
O
ElE
Elm
NOTES
R3
100
Ree
1910?
DISTORTION
ADJ
MOM
DC
LEVELS
WERE
OBSERVED
UNDER
THE
FOLLOWING
CONDI-
TIONS:
A.
654A.
RANGE -
X1OK
DIAL -
1
IMPEDANCE -
75
UNEIAL
OUTPUT
LEVEL -.
10
dB/n
AMPLITUDE-
SET
FOR
0
ON
METER.
11
ALL
VOLTAGES .
1-10%.
C.
VOLTAGES
WERE
TAKEN
WITH
AN -
HP-
MODEL
3440A
DIGITAL
VOLTMETER
HAVING
A
3443A
PLUG-IN.
HOWEVER,
ANY
DC
VOLTMETER
WITH
APPROXIMATELY
10
MEGOHMS
INPUT
IMPEDANCE
WILL
YIELD
ABOUT
THE
SAME
RESULTS.
10MHz ADJ
MO.
2-10PF
T
PI
40mV
AC
RIO
1K
R9*
23.7K
-26V
Q I
RII
D
f1.3.21/
02
ei.IV
RI?
©
026
20
.4.3v
R22
10
RI2
eR18
RI9
R24
2.21K
91
1.2
K
2.7
_C9
RI3
0.1
20K
CR2
i
r.
7
e
R7
?2.7
C4
C3
22 .—
2900
C5
e
R5
CR3
C2
100
CRI
7
[ RPA
NG
S E2
S2E(F)
R8
10K
90
3
310
500
12
o
o
Elm
o
E1313
CUM
LEVEL
FEEDBACK
R28
12.1
K
4 +
5.5V OC
K
5V
TO
6V P-
P
+31V
TP2
-.25V
TO -.
45*
OC
R20
10
OV
OC
4 >>
22
23
24
25 26
BUFFER
AMPLIFIER
R33
R38
I.69K
499
0V
20
20
+31
V
Re
Q
-.6V
R35 R36
100
100
2 7
9K
-26.1
4-
AK-
4
ye.
R39
2K
+31 ,/
Z12
K
•22.9*
OV
DC
AND
AC
FEEDBACK
4
LEVEL
CONTROL
FROM
AMPLITUDE
CONTROL
INTEGRATOR
TO
S2CI4
IN
X10
POSITION
OF
THE
RANGE
SWITCH
P/
0
43
+31
V
CRI2
6.49V
R4
9 0
4.9
.23.5V
010
-.7v
( 4
DCR24
-26V
12.1
V
"c2
METER
AND
LEVELING (
00654-66503)
I
COUNTER EMITTER
FOLLOWER
+31
V
R4
301
C3
CRI
20V
COPYRIGHT
1968
BY
HEWLETT-
PACKARD
COMPANY
27 28
+31
V —
4>
e
-=
4-31
V
-26V->>-:-"
1=
26v
F
e--
j*
TO
BALANCED
AMPLIFIER
r-
COUNTER
ouTPu
-r
L
A
D
E
H
1
P/0
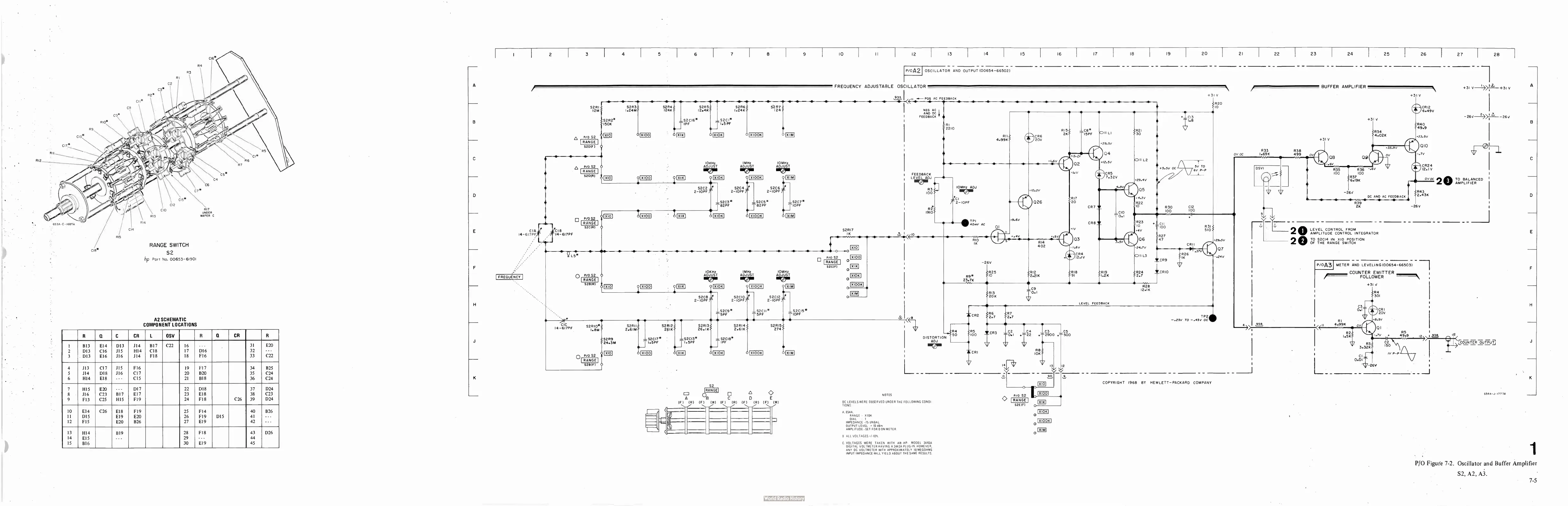
Figure
7-2.
Oscillator
and
Buffer
Amplifier
S2,
A2,
Ai.
7-5

Related product manuals