EasyManua.ls Logo

HP 654A - Power Supplies, al

HP 654A
82 pages
Print Icon
To Next Page IconTo Next Page
To Next Page IconTo Next Page
To Previous Page IconTo Previous Page
To Previous Page IconTo Previous Page
Loading...
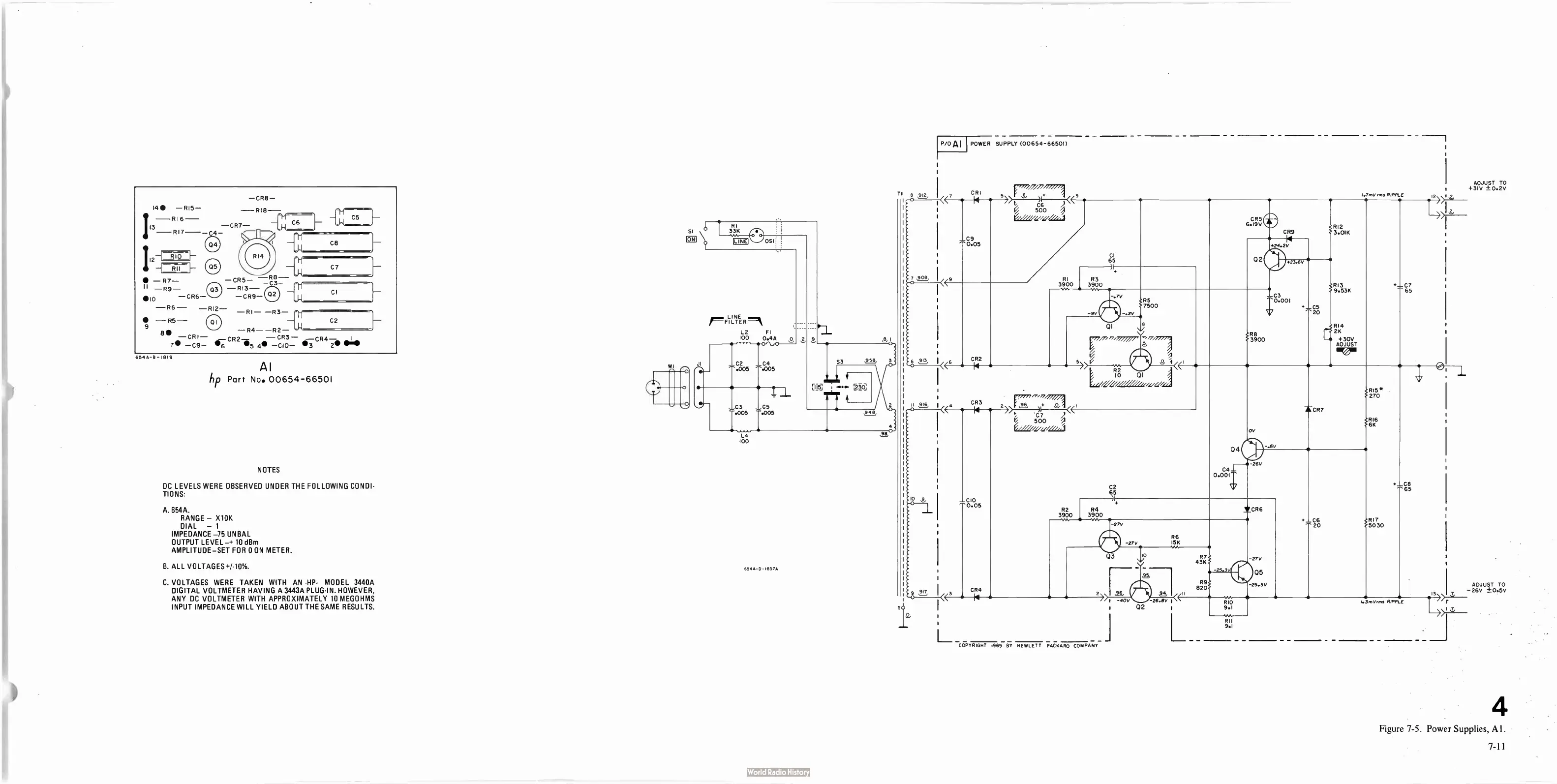
6544-8-1819
Al
hp
Part
No.
00654-66501
NOTES
DC
LEVELS
WERE
OBSERVED
UNDER
THE
FOLLOWING
CONDI-
TIONS:
A.
654A.
RANGE —
X1OK
DIAL —
1
IMPEDANCE —
75
UNBAL
OUTPUT
LEVEL —+
10
dBm
AMPLITUDE—
SET
FOR
0
ON
METER.
B.
ALL
VOLTAGES +
1-10%.
C.
VOLTAGES
WERE
TAKEN
WITH
AN -
HP-
MODEL
3440A
DIGITAL
VOLTMETER
HAVING
A
3443A
PLUG-IN.
HOWEVER,
ANY
DC
VOLTMETER
WITH
APPROXIMATELY
10
MEGOHMS
INPUT
IMPEDANCE
WILL
YIELD
ABOUT
THE SAME
RESULTS.
WI
SI
JI
RI
33K
MED
OS'
I
FILTER
L2
FI
100
0.4A
0
_C2 _
C4
--
'.005
- .
005
.C3
C5
-
.005
- .
005
L4
100
S3
958
948
4
6544-
D-
1837A
TI
1P/oAl
912
7
908
POWER
SUPPLY (
00654-66501)
CRI
• •
_C9
5» à + < L e
e2
500 ?,‘
/Z//Z/eLc.1
913
11
916
10
9 1
,12
,
CR2
6
14
CR3
II
_CIO
-
0.05
(3
C
iF:14 •
1.7mV
rrns
RIPPLE
CI
65
R1
R3
3900
3900
N.e.
w.
-9V
5
2
»,
)1+
.5C
CTO
-.7V
.2e
QI
R5
7500
CR5
6.I9V
02
R8
3900
RI2
CR9
3.0IK
h24.2
1V4
23.6V
C3
0.001
C5
20
RI3
9.53K
II
K4
-• +
30V
ADJUST
M O M
R2
10 01
///L7/Z‘t
04
C2
65
V
]CR7
V
C7
65
26V
R2
R4
3900
3900
eCR6
27V
03
-27V
10
R6
I5K
ve.
4T<
e -
Z5.
R9
820?
96 94
11
-40V
26.8V
I
RIO
t
02
t
9.1
-
COPYRIGHT
1969
BY
HEWLETT
PACKARD
COMPANY
RII
9.1
-27V
05
-25.5V
RI5*
270
•_C6
RI7
•-•
20
5030
• •
I.3 ,'.,V,,,,$
RIPPLE
C8
65
ADJUST
TO
+3IV
0.2V
ADJUST
TO
-26V ±
0.5V
4
Figure
7-5.
Power
Supplies,
Al.
7-11

Related product manuals