EasyManua.ls Logo

Huawei PV+ESS+Charger Solution - Page 40

Huawei PV+ESS+Charger Solution
85 pages
Print Icon
To Next Page IconTo Next Page
To Next Page IconTo Next Page
To Previous Page IconTo Previous Page
To Previous Page IconTo Previous Page
Loading...
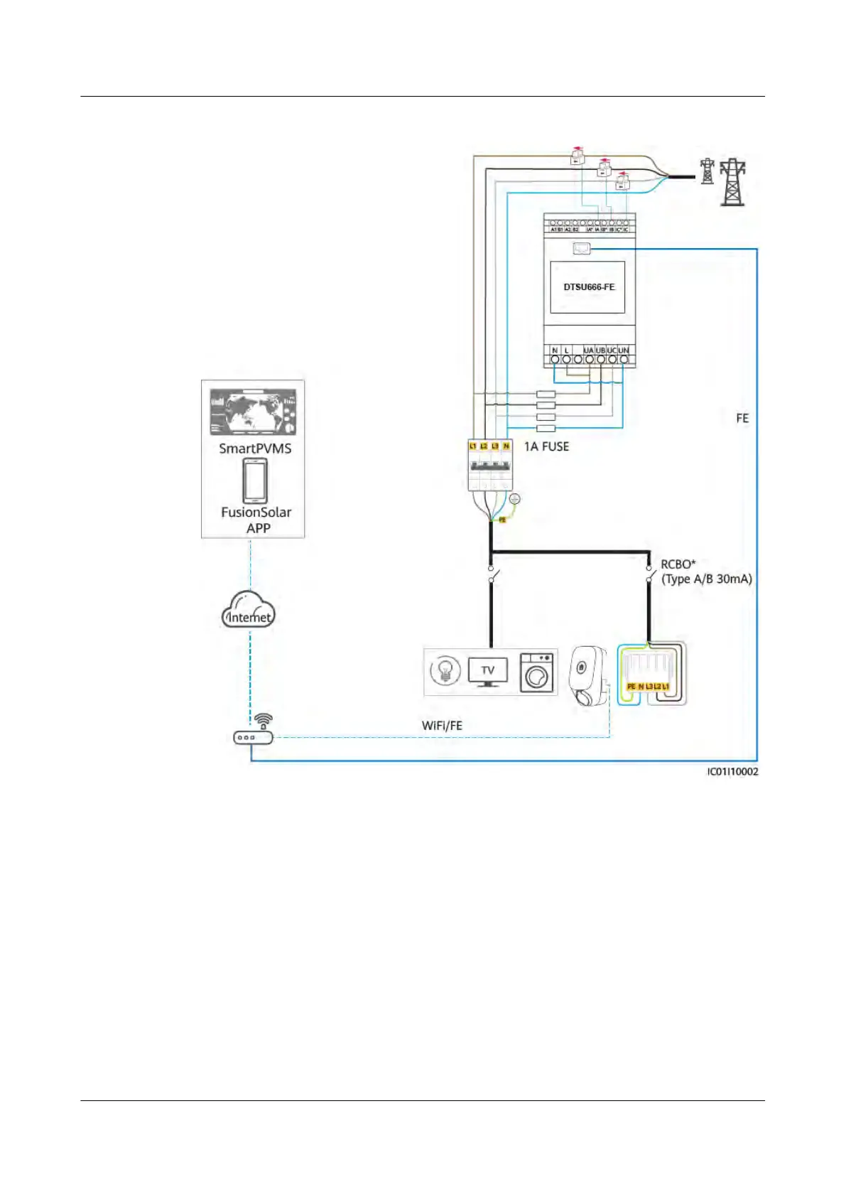
Figure 3-2 Char
ger connected to a router through the FE port or WiFi
PV+ESS+Charger Solution
User Manual 3 Solution Wiring
Issue 02 (2023-01-13) Copyright © Huawei Technologies Co., Ltd. 34

Related product manuals