EasyManua.ls Logo

Huawei PV+ESS+Charger Solution - Solution Functions and Features; Dynamic Charging Power

Huawei PV+ESS+Charger Solution
85 pages
Print Icon
To Next Page IconTo Next Page
To Next Page IconTo Next Page
To Previous Page IconTo Previous Page
To Previous Page IconTo Previous Page
Loading...
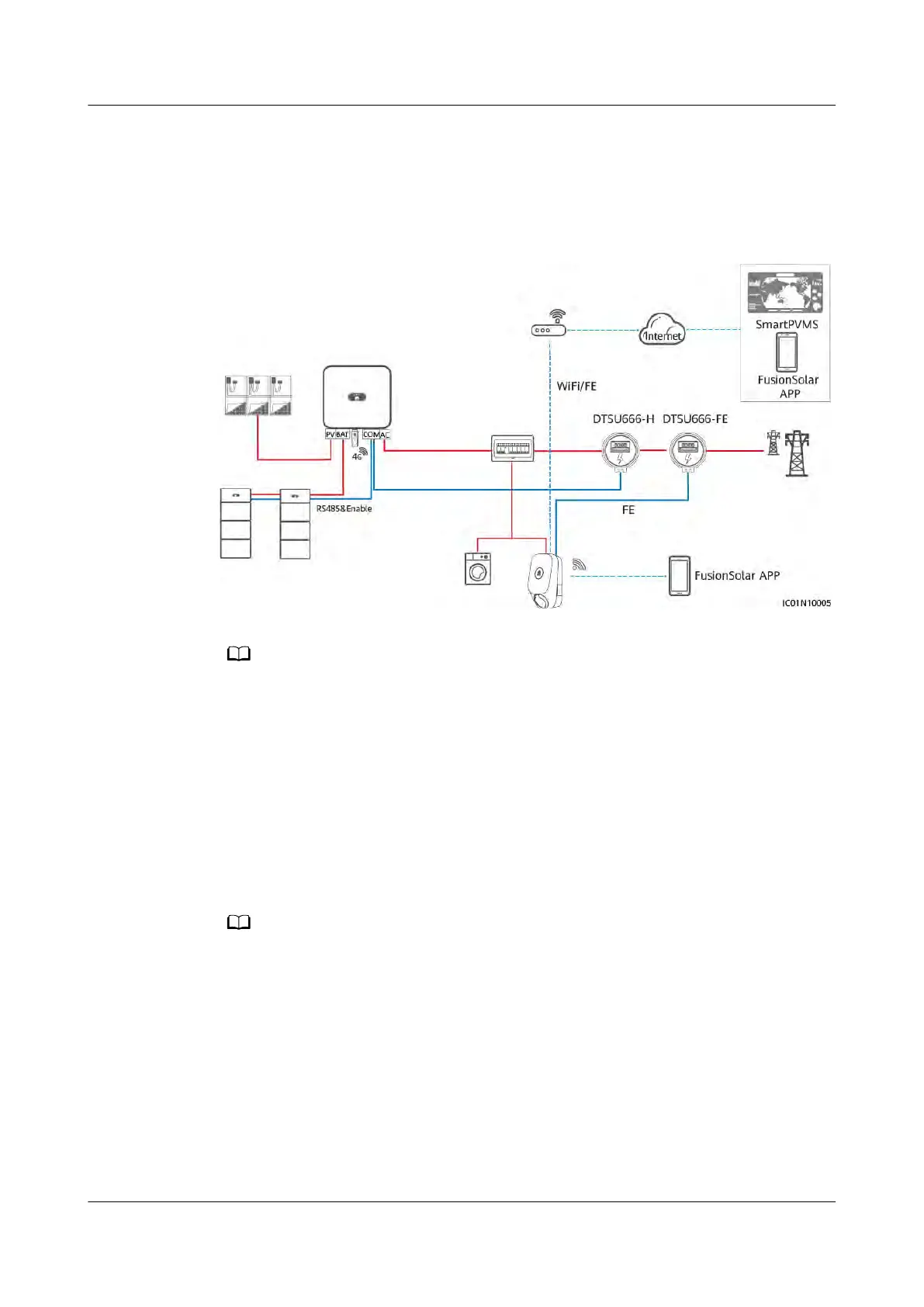
If no installation space is available for a meter, use a WLAN/FE Smart Dongle
and the virtual meter net
working solution.
Figure 2-6 PV+Charger/PV+ESS+Charger (RS485 meter & FE meter & non-
WLAN/FE Smart Dongle, using charger directly connected to an FE meter as an
example)
NO TE
When the charger is connected to a router through WiFi or FE, the FE meter must be
c
onnected to the same router.
If the charger is connected to the FE meter and the router does not have enough ports
to connect the charger, meter, and all the inverters, you can connect the charger and FE
meter to other routers.
2.2 Solution Functions and Features
2.2.1 Dynamic Charging Power
NO TE
Set Main Cir
cuit Breaker Capacity based on the site requirements. If the setting is
greater than the actual value, the circuit breaker trips due to overcurrent. If the setting
is less than the actual value, the charger cannot start charging.
If the load of the home appliances and charger exceeds 150% of the rated capacity of
the main circuit breaker, the dynamic charging power function may not respond in time.
In this case, replace the main circuit breaker with that of a larger capacity.
Feature Description
The charger compares the grid-connection current reported by the meter with
the current of the main circuit breaker to implement dynamic charging power
and prevent the main circuit breaker from tripping.
PV+ESS+Charger Solution
User Manual 2 Solution Overview
Issue 02 (2023-01-13) Copyright © Huawei Technologies Co., Ltd. 22

Related product manuals