EasyManua.ls Logo

Huawei PV+ESS+Charger Solution - Page 27

Huawei PV+ESS+Charger Solution
85 pages
Print Icon
To Next Page IconTo Next Page
To Next Page IconTo Next Page
To Previous Page IconTo Previous Page
To Previous Page IconTo Previous Page
Loading...
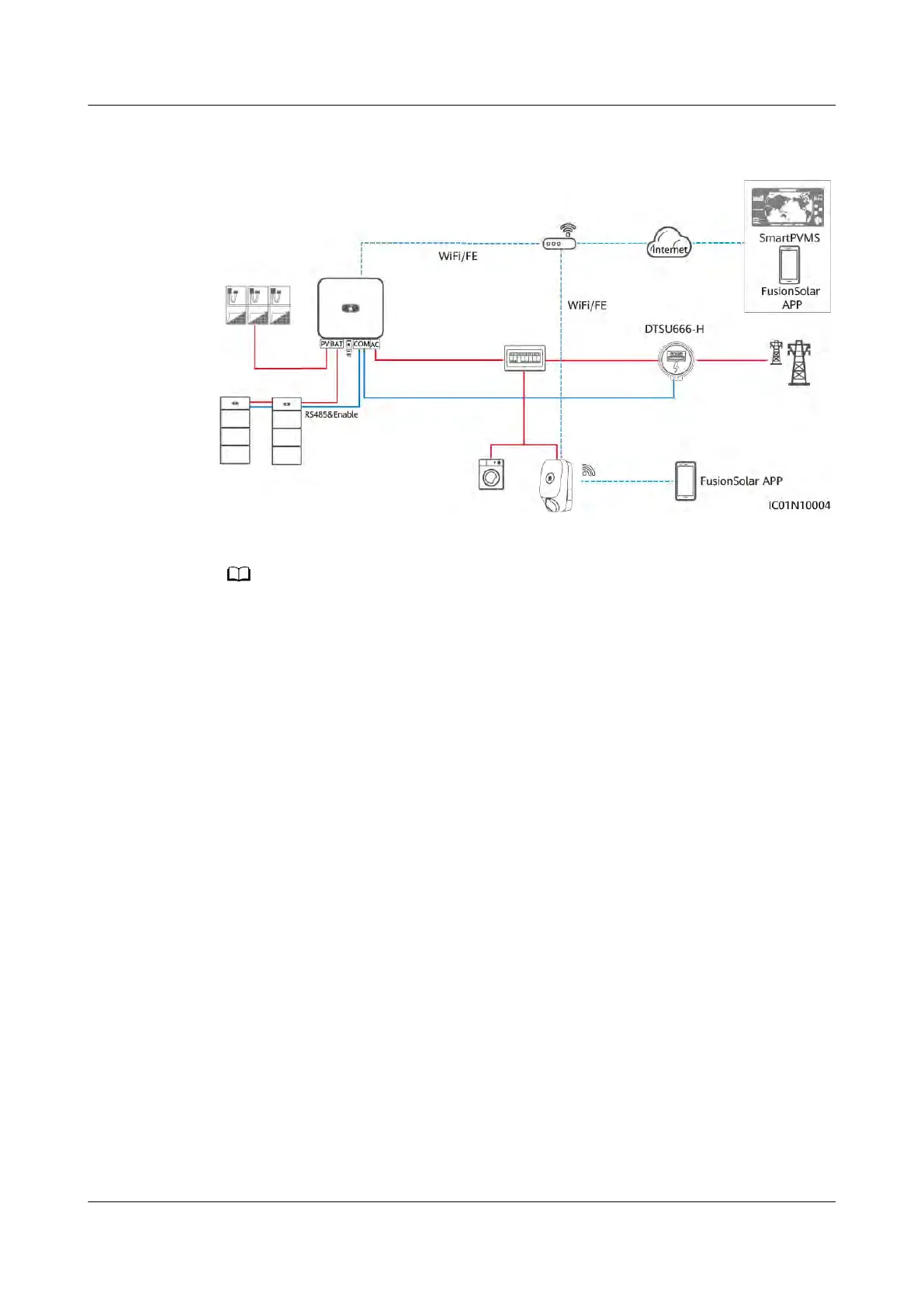
Figure 2-5 PV+Char
ger/PV+ESS+Charger (RS485 meter & FE meter & WLAN/FE
Smart Dongle)
NO TE
The WLAN/FE Smart Dongle sends meter data to the charger through Modbus TCP.
When virtual meter net
working is used, set the Modbus TCP parameter of the WLAN/FE
Smart Dongle to Enable (unrestricted). For details, see 4.4.2 PV+Charger/PV+ESS
+Charger.
If the charger uses virtual meter networking, the WLAN/FE Smart Dongle cannot
connect to a third-party management system using Modbus TCP at the same time.
If the charger uses virtual meter networking, one router can connect to only one
WLAN/FE Smart Dongle. If two WLAN/FE Smart Dongles are connected to the same
router, communication will be interrupted, resulting in abnormal charger power control.
In this case, you need to connect the WLAN/FE Smart Dongles to two routers
respectively for grid connection.
The SUN2000-(2KTL-6KTL)-L1 cannot directly connect to the router through WLAN to
implement the virtual meter function. In this case, you need to install the WLAN/FE
Smart Dongle.
PV+Charger/PV+ESS+Charger (RS485 meter & FE meter & non-WLAN/FE
Smart Dongle)
If the plant cannot use the WLAN/FE Smart Dongle or the SUN2000-
(2KTL-6KTL)-L1 is directly connected to the router, the dual-meter networking
solution can be used. The RS485 meter is used to monitor the grid-connection
point information of the PV+ESS system, and the FE meter is used for
dynamic charging power.
If the grid-connection point of the plant has power limit requirements, the
power of the grid-connection point must be higher than the minimum startup
power of the charger. Otherwise, the charger cannot start charging in PV
Power Preferred mode and stays waiting to charge.
If the plant is set to zero feed-in, the charger cannot start charging in PV
Power Preferred mode and stays waiting to charge.
PV+ESS+Charger Solution
User Manual 2 Solution Overview
Issue 02 (2023-01-13) Copyright © Huawei Technologies Co., Ltd. 21

Related product manuals