EasyManua.ls Logo

Huawei PV+ESS+Charger Solution - Page 26

Huawei PV+ESS+Charger Solution
85 pages
Print Icon
To Next Page IconTo Next Page
To Next Page IconTo Next Page
To Previous Page IconTo Previous Page
To Previous Page IconTo Previous Page
Loading...
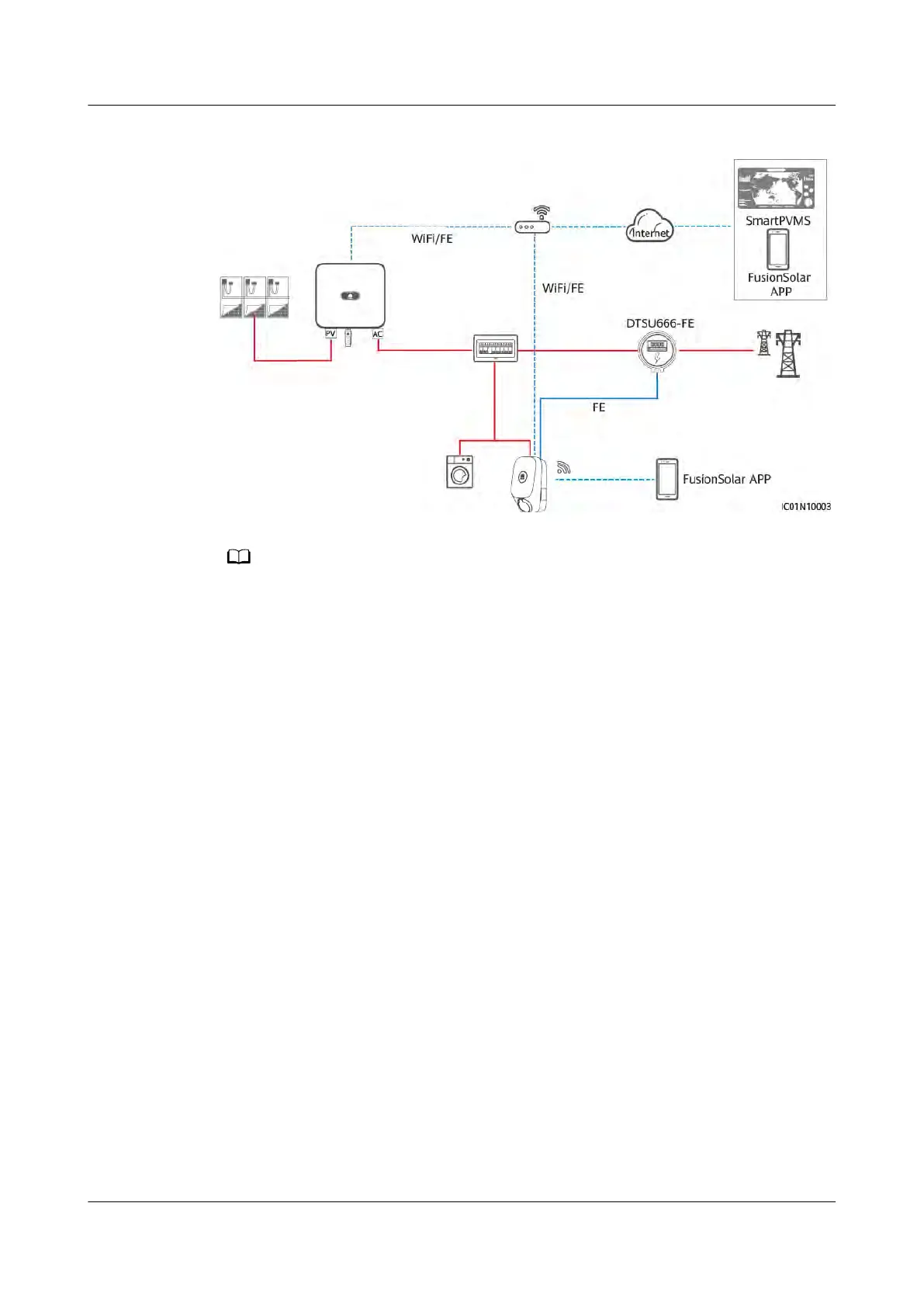
Figure 2-4 PV+Char
ger (charger directly connected to a FE meter)
NO TE
If an FE power meter and a WLAN/FE Smart Dongle are congured, disable Modbus
T
CP of the WLAN/FE Smart Dongle to ensure that the charger power control is normal.
(Modbus TCP is disabled by default. For details about the setting, see 4.4.2 PV
+Charger/PV+ESS+Charger.) Otherwise, the communication between the charger and
meter will be interrupted.
When the charger is connected to a router through WiFi or FE, the FE meter must be
connected to the same router.
If other FE meters are connected to the router at the same time, the dynamic charging
power of the charger may be abnormal. In this case, you are advised to connect the
charger to the FE meter through a network cable.
PV+Charger/PV+ESS+Charger (RS485 meter & WLAN/FE Smart Dongle)
If the RS485 meter and WLAN/FE Smart Dongle are congured, the RS485
meter data can be sent to the char
ger through the WLAN/FE Smart Dongle to
implement the virtual meter networking.
If the grid-connection point of the plant has power limit requirements and
there is a meter, a charger is required and the virtual meter networking
solution is recommended. The power at the grid-connection point must be
higher than Surplus Power to Start Charging. Otherwise, the charger cannot
start charging in PV Power Preferred mode and stays waiting to charge.
If the plant is set to zero feed-in, the charger cannot start charging in PV
Power Preferred mode and stays waiting to charge.
To support the virtual meter networking, the WLAN/FE Smart Dongle needs
to be upgraded to SDongle V100R001C00SPC133 or SDongle
V200R022C10SPC100.
PV+ESS+Charger Solution
User Manual 2 Solution Overview
Issue 02 (2023-01-13) Copyright © Huawei Technologies Co., Ltd. 20

Related product manuals