EasyManua.ls Logo

Huawei PV+ESS+Charger Solution - Page 25

Huawei PV+ESS+Charger Solution
85 pages
Print Icon
To Next Page IconTo Next Page
To Next Page IconTo Next Page
To Previous Page IconTo Previous Page
To Previous Page IconTo Previous Page
Loading...
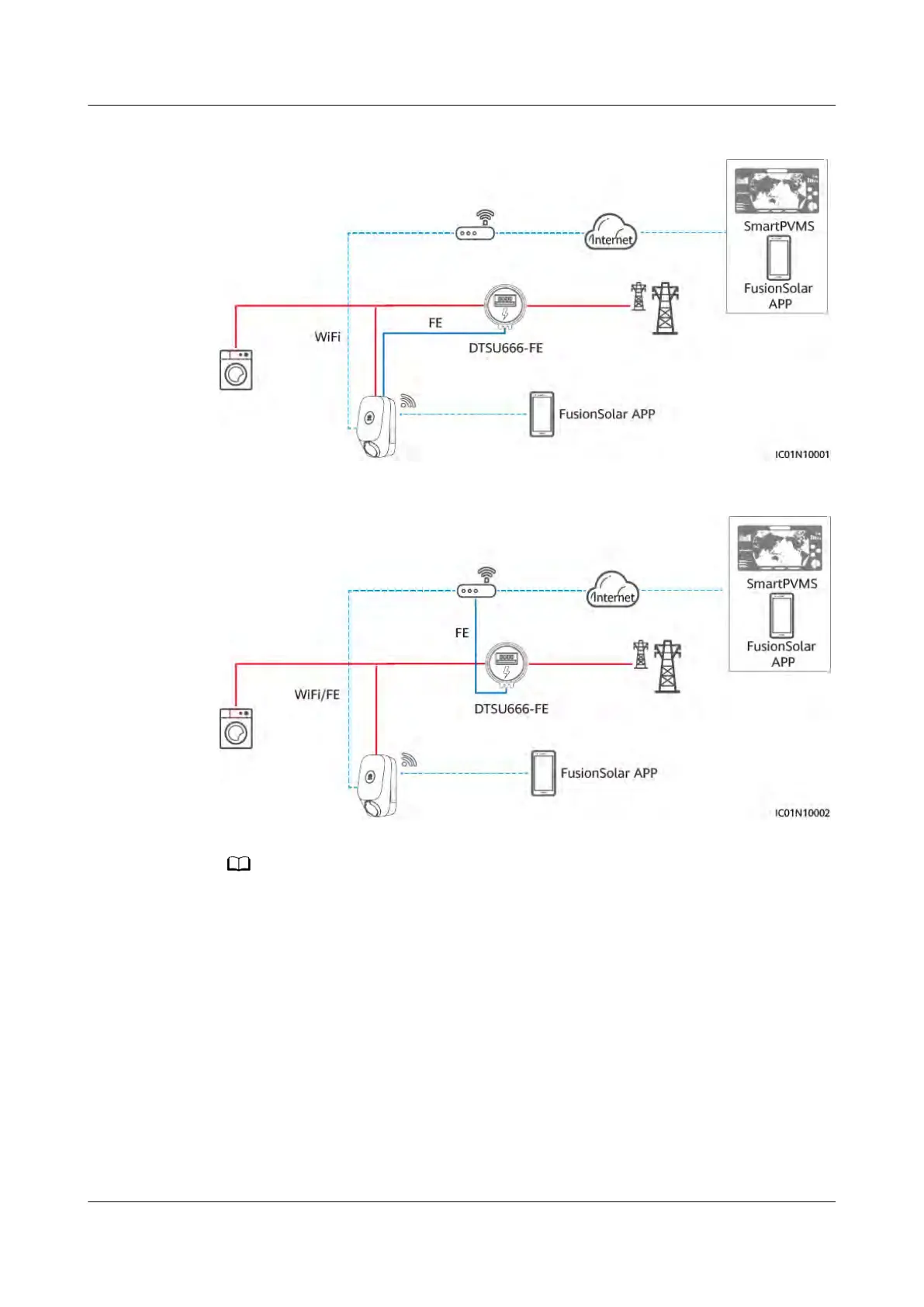
Figure 2-2 Char
ger FE port directly connected to a meter
Figure 2-3 Char
ger connected to a router through WiFi/FE
NO TE
When the charger is connected to a router through WiFi or FE, the FE meter must be
c
onnected to the same router.
If other FE meters are connected to the router at the same time, the dynamic charging
power of the charger may be abnormal. In this case, you are advised to connect the
charger to the FE meter through a network cable.
PV+Charger (FE Meter)
To implement PV power preferred and dynamic charging power, the FE meter
is mandatory.
PV+ESS+Charger Solution
User Manual 2 Solution Overview
Issue 02 (2023-01-13) Copyright © Huawei Technologies Co., Ltd. 19

Related product manuals