EasyManua.ls Logo

Huawei PV+ESS+Charger Solution - Three-Phase System

Huawei PV+ESS+Charger Solution
85 pages
Print Icon
To Next Page IconTo Next Page
To Next Page IconTo Next Page
To Previous Page IconTo Previous Page
To Previous Page IconTo Previous Page
Loading...
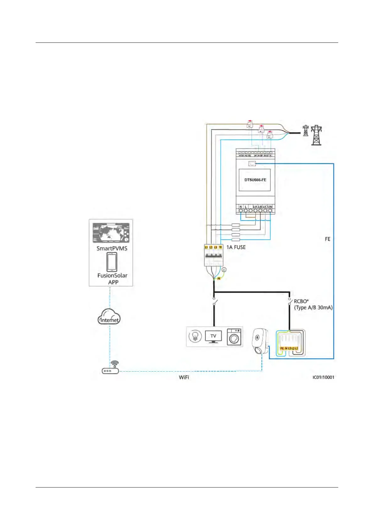
3.1 Three-Phase System
Char
ger-Only
Figure 3-1 Charger directly connected to a meter
PV+ESS+Charger Solution
User Manual 3 Solution Wiring
Issue 02 (2023-01-13) Copyright © Huawei Technologies Co., Ltd. 33

Related product manuals